La Gazette du Canada, Partie I, volume 151, numéro 16 : Règlement sur les parcs pour enfant
Le 22 avril 2017
Fondement législatif
Loi canadienne sur la sécurité des produits de consommation
Ministère responsable
Ministère de la Santé
RÉSUMÉ DE L'ÉTUDE D'IMPACT DE LA RÉGLEMENTATION
(Ce résumé ne fait pas partie du Règlement.)
Sommaire
Enjeux : La conception des parcs pour enfants a évolué depuis la dernière modification majeure apportée au Règlement sur les parcs pour enfants (le Règlement) en 1991. Le ministère de la Santé (Santé Canada) a relevé des problèmes de sécurité associés à certains types de parcs pour enfants, notamment à leurs accessoires, comme les accessoires pour le coucher et la table à langer. Les incidents associés à ces produits ont entraîné des blessures et des décès.
Description : La proposition contient un certain nombre de modifications majeures visant à éliminer des risques ciblés, notamment d'autres exigences sur le rendement et les méthodes d'essais pour éliminer le risque de pliage ou d'affaissement involontaire des traverses supérieures des parcs pour enfants et la mise en place d'exigences sur le rendement et de méthodes d'essais pour les accessoires de parcs, dont les accessoires conçus pour laisser les bébés dormir sans supervision. La proposition abroge et remplace le règlement actuel.
L'objectif des modifications proposées est d'améliorer la sécurité de ces produits afin de diminuer davantage le risque de blessure et de décès en harmonisant la plupart des exigences canadiennes avec les exigences des États-Unis, et en harmonisant certaines autres exigences avec le Règlement sur les lits d'enfants, berceaux et moïses (RLEBM).
Énoncé des coûts et avantages : Les coûts engendrés par les modifications sont en fait les coûts rattachés aux quelques exigences réglementaires qui ne suivent pas parfaitement celles présentement en vigueur aux États-Unis en ce qui concerne l'inclinaison des surfaces de couchage. Les membres de l'industrie peuvent décider de revoir la conception, de revoir l'image de marque ou de retirer les produits non conformes afin de satisfaire aux nouvelles exigences. Le coût total est estimé à 6,5 millions de dollars sur 20 ans, avec un taux d'actualisation de 7 %. L'avantage ainsi obtenu est une réduction du risque associé à la possibilité qu'une surface de couchage inégale ou inclinée contribue à l'obstruction des voies respiratoires chez les bébés pendant leur sommeil. Une analyse du point mort indique que les avantages surpasseront les coûts si l'on réussit à éviter un décès sur une période de 20 ans.
Règle du « un pour un » et lentille des petites entreprises : La règle du « un pour un » ne s'applique pas, puisque le projet de règlement n'imposerait pas de coûts d'administration à l'industrie. La lentille des petites entreprises ne s'applique pas, car l'effet de coût estimé à l'échelle nationale est inférieur à 1 million de dollars par année.
Coordination et coopération à l'échelle nationale et internationale : Le projet de règlement permettrait d'harmoniser la plupart des exigences canadiennes avec les exigences américaines. Une plus grande harmonisation faciliterait la conformité de l'industrie et les échanges commerciaux entre les deux pays. Les quelques éléments du projet de règlement qui ne concordent pas avec les exigences américaines sont nécessaires si l'on veut assurer un niveau de sécurité qui équivaut à celui d'autres règlements de Santé Canada concernant les surfaces de couchage destinées aux enfants, plus particulièrement le RLEBM.
Contexte
Le Règlement est entré en vigueur le 1er septembre 1976 et a été élaboré dans le but de réduire le nombre de blessures et de décès qui peuvent survenir avec les produits conçus pour fournir aux bébés et aux jeunes enfants un environnement de jeu sûr. Au fil des années, la conception des parcs pour enfants a évolué. Santé Canada a relevé des problèmes de sécurité associés à certains types de parcs pour enfants, notamment à leurs accessoires, comme les accessoires pour le coucher et la table à langer. Les problèmes ciblés englobent un risque d'étranglement si les traverses latérales s'affaissent, de coincement si l'enfant reste pris entre les accessoires et le parc, de coincement dans les espaces des côtés en textile du parc et un risque d'asphyxie lié à l'inclinaison des surfaces des accessoires pour le coucher. Santé Canada est intervenu en négociant des rappels volontaires avec l'industrie.
De plus, des fabricants de parcs pour enfants ont demandé à Santé Canada d'harmoniser davantage les exigences canadiennes avec les exigences américaines.
Enjeux
La Direction de la sécurité des produits de consommation (DSPC) de Santé Canada a reçu des rapports d'incidents concernant, entre autres, des blessures, des décès et des préoccupations relatives à la sécurité liés à l'utilisation de parcs pour enfants et d'accessoires de parcs signalés par des consommateurs, des médecins, des médecins hygiénistes et l'industrie.
Entre 1990 et octobre 2015, la DSPC a reçu 156 rapports d'incidents associés à l'usage de parcs pour enfants et d'accessoires de parcs. Parmi ces rapports, on recense 10 décès, 1 blessure grave, 31 blessures légères et 114 incidents sans blessure.
Sur les 10 décès signalés, 4 mettaient en cause un accessoire de parc. En 2005, un bébé est mort lorsque sa tête s'est coincée entre la traverse d'un parc pour enfants et l'accessoire servant de table à langer qui avait été laissé fixé au parc. En 2009, un enfant est mort alors qu'il se trouvait dans un accessoire pour le coucher dont la surface de couchage était inclinée. Deux enfants sont morts après avoir été placés sur l'accessoire de table à langer pour dormir, en 2008 et en 2013. Les enfants avaient été placés sur le ventre et sur le côté respectivement pour dormir, ce qui peut avoir contribué à leur décès.
Un autre décès est survenu en 2010 alors qu'un enfant dormant dans un parc placé au pied du lit de ses parents a suffoqué lorsque des articles de literie sont tombés sur lui pendant la nuit.
Pour ce qui est des cinq autres décès, deux sont survenus en 1998 et en 2007 et ont été causés par un étranglement par suite de l'affaissement des traverses latérales. En 1991 et en 1995, deux enfants se sont étranglés avec leurs vêtements lorsqu'ils sont restés pris dans les parties saillantes des traverses supérieures d'un parc pour enfants. En 1999, un bébé est mort étranglé par une sangle qu'il avait tirée dans le parc pour enfants.
Voici quelques exemples de blessures légères subies par des enfants : ecchymoses; lacérations; fils de couture s'étant enroulés autour du doigt, de l'orteil ou du cou; petites pièces, notamment de mousse et de plastique dur, qui se sont détachées du parc pour enfant et se sont retrouvées dans la bouche des enfants. La blessure grave est en fait une amputation partielle du doigt d'un enfant pendant l'assemblage d'un parc.
Entre 1995 et octobre 2016, Santé Canada a négocié 19 rappels volontaires avec l'industrie; de ce nombre, 8 concernaient un risque d'enchevêtrement, 6 étaient liés à un risque d'affaissement des traverses latérales et 5 se rapportaient à des accessoires. En vue de prévenir de tels incidents, Santé Canada a diffusé du matériel d'éducation du public et des avertissements concernant les parcs pour enfants et accessoires pour parc, notamment un bulletin d'éducation du public traitant de l'utilisation sécuritaire des parcs pour enfants en 2009; un livret intitulé « Votre enfant est-il en sécurité? » en 2006 qui comprend des recommandations sur la sécurité à l'heure du coucher et les parcs pour enfants; un avertissement publié à l'intention des parents et des personnes qui s'occupent d'enfants en 1998 sur le risque possible d'étranglement que présentent les parties saillantes de certains parcs pour enfants.
Malgré ces activités de sensibilisation, les incidents et les rappels font ressortir la nécessité d'apporter des modifications réglementaires pour améliorer la sécurité des parcs pour enfants et de leurs accessoires, par exemple : limiter la dimension des espaces entre les traverses des parcs et les accessoires; limiter l'inclinaison des surfaces de couchage; intégrer des exigences concernant le verrouillage et l'enclenchement des traverses latérales ainsi que la résistance et la solidité des traverses latérales; limiter les parties saillantes des parcs pour enfants; limiter la longueur des sangles qui sont à la portée de l'enfant; exiger que l'on appose des mises en garde indiquant qu'il ne faut jamais faire dormir un bébé sur un accessoire de table à langer ni mettre de literie dans le parc pour enfants.
Objectifs
La présente proposition vise à renforcer davantage la sécurité des parcs pour enfants en harmonisant la plupart des exigences canadiennes avec les exigences des États-Unis, et en harmonisant certaines autres exigences avec le Règlement sur les lits d'enfants, berceaux et moïses (RLEBM).
Description
Harmonisation avec le RLEBM
Les nouvelles exigences suivantes qui sont proposées pour les parcs pour enfants et accessoires pour le coucher vont dans le même sens que certaines exigences de l'actuel RLEBM afin d'assurer un niveau de sécurité uniforme aux jeunes enfants. Le RLEBM mis à jour a été publié dans la Partie II de la Gazette du Canada le 29 juin 2016 et est entré en vigueur le 29 décembre 2016; il contient des exigences en matière de sécurité s'appliquant aux produits de couchage pour enfants, c'est-à-dire les lits d'enfants, les berceaux et les moïses, ainsi qu'aux accessoires pour le coucher qui se fixent aux lits d'enfants, aux berceaux et aux moïses.
1. Espaces — coincement
Le règlement actuel n'énonce pas d'exigences relatives aux espaces qui peuvent présenter un risque de coincement. Certains parcs et accessoires pour le coucher comportent des attaches, comme des fermetures à glissière ou des boutons-pression, pour fixer les côtés en textile à la charpente du produit. Il existe un risque que le revêtement de matière textile se détache; l'enfant pourrait rester coincé dans un espace ainsi créé ou tomber d'un tel espace. Les modifications proposées comprennent une exigence en matière de rendement et une méthode d'essais — conformes à celles du RLEBM — pour évaluer et limiter la dimension des espaces dans les parcs pour enfants et les accessoires pour le coucher.
L'essai prévu dans le RLEBM se fonde sur l'essai relatif aux espaces contenu dans le règlement Final Rule for Bassinets and Cradles des États-Unis. Cependant, le règlement Final Rule des États-Unis accorde une exemption aux accessoires pour le coucher, et le règlement Final Rule for Play Yards des États-Unis ne prévoit pas d'essai équivalent pour les parcs pour enfants ou accessoires pour le coucher. Santé Canada est au courant d'un cas de produit comportant un espace dans lequel passait la sonde de torse et nécessitant une force très minime pour ouvrir les fermetures à glissière qui retenaient l'accessoire pour le coucher sur le moïse. Ce produit était en vente au Canada, mais pas aux États-Unis. Par conséquent, Santé Canada intègre cet essai afin d'examiner les éventuels modèles de parcs pour enfants et d'accessoires pour le coucher dont le revêtement de matière textile peut se détacher et présenter un risque de coincement.
2. Écartement du tapis de sol et du matelas
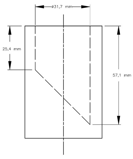
Les tapis de sol et les matelas qui ne sont pas bien ajustés sur les côtés du parc pour enfants ou de l'accessoire pour le coucher peuvent laisser des espaces entre le bord du tapis ou du matelas et les côtés du parc. Un enfant pourrait se coincer dans un tel espace ou être exposé à des risques présents sous le tapis de sol ou le matelas. Le RLEBM comprend une exigence limitant tous les espaces entre le matelas et toute partie du lit d'enfant, du berceau et du moïse à 30 mm. Parallèlement, les modifications proposées prévoient une limite de 30 mm pour les espaces entre le tapis de sol ou le matelas et les côtés des parcs pour enfants ou des accessoires pour le coucher.
Alors que la proposition va dans le même sens que les exigences américaines s'appliquant aux tapis de sol des parcs pour enfants pour ce qui est de l'épaisseur et du déplacement vertical du tapis, la présente exigence vise à réduire davantage le risque de coincement entre le bord du tapis et les côtés du produit. L'exigence américaine ne prévoit pas de limite d'écartement du tapis de sol pour les parcs pour enfants; par contre, elle compte une limite d'écartement du matelas de 25,4 mm (ou 1 po) s'appliquant aux accessoires pour le coucher. Les limites de 25,4 mm et de 30 mm permettent toutes deux d'assurer un niveau efficace de protection des jeunes enfants étant donné la très petite différence. Aucune preuve ne donne à penser que la limite de 30 mm n'offre pas une protection adéquate; cette limite est inscrite dans le RLEBM depuis 1986. Les accessoires pour le coucher conformes aux exigences américaines seraient également conformes à la limite canadienne. Les parcs pour enfants qui sont présentement sur le marché respectent également la limite proposée.
3. Inclinaison des surfaces de couchage
Il existe un risque de blessure grave ou de décès lorsque les nourrissons et les jeunes enfants ne sont pas placés sur une surface ferme et plate pour dormir. Afin de limiter le risque de suffocation ou d'asphyxie, on propose une inclinaison maximale pour les accessoires pour le coucher soit pour : a) la pente de la surface de couchage; b) l'inclinaison des matelas segmentés. En tenant compte des données scientifiques à jour et d'une évaluation des risques qu'il a menée, Santé Canada fixe l'inclinaison maximale à sept degrés pour ces produits, qui sont décrits plus en détail ci-après. De plus, on propose une limite d'inclinaison pour les accessoires pour le coucher qui oscillent; cette limite est conforme à la fois au RLEBM et au règlement Final Rule for Bassinets and Cradles (article 25) des États-Unis.
L'évaluation des risques menée par Santé Canada comprenait un examen des incidents et des décès connus ainsi que des résultats d'une étude australienne de 1995 — la seule étude scientifique connue sur l'inclinaison des surfaces de couchage des bébés. Les produits pour bébés ont été évalués à des angles de 5, 7 et 10 degrés pour déterminer l'angle qui protégeait le mieux les bébés contre le risque de rester coincés dans un coin après s'être retournés ainsi que contre d'autres risques de coincement et d'asphyxie. Tous les bébés exposés à des inclinaisons de 5 et de 7 degrés ont été capables de garder leurs voies respiratoires ouvertes, car, à ces angles, ils pouvaient encore tourner la tête pour respirer. Inversement, les bébés exposés à une inclinaison de 10 degrés étaient incapables de tourner la tête, et leurs voies respiratoires sont restées obstruées. Ce risque est le même pour toute surface de couchage. Par conséquent, Santé Canada adopte un angle de planéité maximal de 7 degrés en gardant à l'esprit que toutes les surfaces de couchage non supervisé doivent offrir le même niveau de sécurité.
- a) Pente de la surface de couchage
- L'exigence proposée limiterait la pente de la surface de couchage à 7 degrés par rapport à l'horizontale, ce qui est conforme à l'actuel RLEBM. Les exigences obligatoires américaines n'imposent pas de limite en ce qui a trait à la pente de la surface de couchage. Aux États-Unis, on se sert plutôt de la pente de la surface de couchage pour différencier les catégories de produits : le règlement Final Rule for Bassinets and Cradles des États-Unis vise les produits dont l'inclinaison est de 10 degrés ou moins. Les produits dont l'inclinaison est supérieure à 10 degrés, mais ne dépasse pas 30 degrés sont assujettis à une autre norme de l'ASTM : Inclined Sleep Products. La loi fédérale américaine n'exige pas la conformité à cette norme, et les produits pour le couchage ayant une inclinaison de surface ne sont pas interdits. En revanche, en vertu du RLEBM canadien, tous les produits conçus pour le couchage, qu'il s'agisse de lits d'enfants, de berceaux, de moïses ou d'accessoires pour le coucher, ont une limite d'inclinaison de la surface de couchage de 7 degrés.
- b) Inclinaison des matelas segmentés
- Santé Canada a demandé le rappel volontaire de certains modèles de parcs pour enfants parce que le poids d'un enfant pouvait déprimer le centre de l'accessoire pour le coucher et accroître les surfaces inclinées à l'une ou l'autre des extrémités du produit. Si un enfant était laissé sans surveillance dans l'accessoire pour le coucher, de petits mouvements de l'enfant pourraient le faire glisser vers une zone déprimée de la surface de couchage et entraîner un risque potentiel de blessure ou de décès causé par la suffocation ou l'asphyxie positionnelle. Par conséquent, les modifications proposées prévoient notamment l'imposition d'une limite d'inclinaison des matelas segmentés des accessoires de couchage. Alors que les États-Unis limitent cette inclinaison à 10 degrés, la proposition canadienne vise une limite de 7 degrés. Le RLEBM ne contient pas cette exigence précise puisque les matelas segmentés se trouvent habituellement uniquement dans les accessoires de couchage des parcs; toutefois, la limite d'inclinaison suit la limite de la pente de la surface de couchage énoncée dans le RLEBM étant donné que toutes les surfaces devant servir au couchage non supervisé doivent offrir le même niveau de sécurité.
Harmonisation avec le règlement Final Rule for Play Yards de la CPSC des États-Unis et avec la norme ASTM F406
Les exigences obligatoires de la Consumer Product Safety Commission (CPSC) des États-Unis s'appliquant aux parcs pour enfants et aux accessoires des parcs citent deux normes de l'ASTM (voir référence 1). Le projet de règlement utilise les exigences applicables des normes ASTM sans incorporer par renvoi ces mêmes normes. Cela permet d'utiliser la même terminologie dans le projet de règlement et une terminologie comparable à celle utilisée dans d'autres règlements similaires pris en vertu de la Loi canadienne sur la sécurité des produits de consommation (LCSPC), comme le RLEBM. On s'assure également d'obtenir une application plus efficiente et un respect accru du projet de règlement étant donné qu'il sera plus facile d'interpréter celui-ci puisqu'il reflète les conventions relatives à la rédaction qui existent dans les lois fédérales canadiennes.
4. Avertissements
Le règlement actuel n'exige pas que des mises en garde soient apposées sur les parcs pour enfants. Il existe un risque de blessure grave ou de décès causé par l'usage inadéquat d'un parc pour enfants ou d'un accessoire de parc. Les avertissements bilingues proposés portent notamment sur les enjeux suivants : l'importance d'éloigner les cordons de store et de rideau des parcs pour enfants afin de réduire le risque de strangulation; le montage et l'utilisation des parcs pour enfants et des accessoires, y compris l'âge et la capacité des enfants pour qui les produits sont conçus; la supervision lorsqu'un enfant se trouve dans le parc; l'importance de ne pas placer de literie dans le parc pour enfants afin de réduire le risque de suffocation.
5. Stabilité
Des questions et des préoccupations concernant l'applicabilité de l'exigence actuelle concernant la stabilité des parcs pour enfants et de la méthode d'essai ont été soulevées par les laboratoires d'essais et par l'industrie. Au fil des années, la conception des parcs pour enfants a évolué en passant des structures rigides aux modèles de parcs pour enfants présentement disponibles, dont les côtés sont plus flexibles et généralement pliables. Pour les essais de stabilité prévus dans le règlement actuel, tous les points d'appui doivent rester en contact avec le plan de mesure. Étant donné qu'il existe désormais des modèles de parcs flexibles, on propose de modifier cette exigence. Conformément à la norme ASTM F406 sur les parcs pour enfants, on propose que le périmètre des parcs pour enfants offre au moins trois points d'appui qui restent en contact avec le plan de mesure. De plus, un des points d'appui ne doit pas être aligné avec les deux autres, et les points d'appui doivent se trouver à une distance suffisante les uns des autres.
6. Enclenchement et verrouillage des traverses supérieures
Pour diminuer davantage le risque d'affaissement involontaire des parcs pour enfants, on propose également d'inclure dans le Règlement des exigences supplémentaires concernant les mécanismes d'enclenchement et de verrouillage de la traverse supérieure des parcs pour enfants. Les modifications proposées exigent que les mécanismes s'enclenchent ou se verrouillent automatiquement et qu'une certaine force soit nécessaire pour débloquer le dispositif d'un seul geste, ou qu'au moins deux gestes délibérés et simultanés de l'utilisateur soient requis pour débloquer le dispositif.
7. Flexion et résistance des côtés
Les rapports d'incidents reçus par Santé Canada ainsi que les rappels volontaires de parcs pour enfants demandés par le Ministère ont mis en évidence l'importance du renforcement des exigences concernant la flexion et la résistance des côtés. Il existe un risque de blessures graves ou de décès lorsque le côté d'un parc pour enfants se déclenche, se replie ou fléchit de façon inattendue et réduit ainsi la hauteur du côté du parc alors qu'un enfant s'y trouve. Les modifications proposées comprennent des exigences visant à éviter que les côtés du parc ne se brisent ou se replient lorsqu'ils sont soumis à des charges statiques.
8. Faux enclenchement
Afin de renforcer la protection contre le repliement ou l'affaissement involontaire de la traverse supérieure, les modifications proposées comportent des exigences précisant qu'aucune traverse supérieure ne doit sembler être dans la position d'usage recommandée par le fabricant à moins que le dispositif de verrouillage ne soit complètement enclenché.
9. Configuration de la traverse supérieure
Santé Canada a travaillé avec des entreprises au rappel volontaire de parcs pour enfants ayant des barrières latérales qui pouvaient s'affaisser de façon inattendue pendant que le bébé se trouvait dans le parc. La forme de « V » créée par les côtés affaissés du parc pour enfants risque de coincer le cou de l'enfant. La proposition comprend un essai ayant pour but d'éliminer les conceptions de parcs pour enfants qui comportent une charnière ou un verrou pouvant créer une forme de « V » ou de losange en cas de repliement.
10. Fixation de la traverse supérieure au poteau d'angle
Santé Canada a reçu des rapports d'incidents mettant en cause la fixation de la traverse supérieure au poteau d'angle et propose une exigence ayant pour but d'éviter les défaillances causées par la fatigue (équerres d'angle brisées, attaches desserrées, etc.) aux points d'attache des poteaux d'angle. L'essai proposé évalue si les équerres d'angle peuvent supporter une seule torsion unique importante appliquée à un endroit précis, soit près du milieu des traverses latérales supérieures.
11. Enchevêtrement dans les parties saillantes
Les vêtements des enfants peuvent s'enchevêtrer dans les parties saillantes des parcs pour enfants; le règlement actuel n'impose aucune exigence relativement à l'enchevêtrement. Afin d'éviter les enchevêtrements, les modifications proposées prévoient une exigence qui stipule que les parcs pour enfants ne doivent comporter aucune partie saillante, aucune attache et aucun mécanisme pouvant s'enchevêtrer dans les vêtements de l'occupant ou dans tout autre objet porté par l'occupant.
12. Poteaux
Le règlement actuel ne comprend pas d'exigences concernant la hauteur des poteaux d'angle. Les poteaux d'angle peuvent présenter un risque d'étranglement pour l'occupant. Les vêtements de l'occupant peuvent se prendre sur un poteau d'angle. Par conséquent, les modifications proposées englobent une exigence limitant la hauteur des poteaux d'angle à 1,5 mm au-dessus du point le plus bas de la surface supérieure du plus haut des côtés contigus au poteau. La mesure doit être prise dans un rayon de 76 mm de la surface extérieure du poteau.
13. Épaisseur du tapis de sol
On propose une épaisseur maximale de 38 mm pour les tapis de sol. Cette exigence contribuera à prévenir certains dangers associés à l'utilisation de tapis de sol épais et imposants. Parmi ces dangers, on compte : a) le risque de coincement entre les côtés du parc pour enfants et le tapis de sol; b) l'obstruction des voies respiratoires si la surface du tapis de sol suit le contour du visage d'un enfant qui dort. Veuillez noter que le danger a) est également couvert par d'autres exigences de la présente proposition (Déplacement vertical du tapis de sol et Écartement du matelas). Le danger b) est aussi couvert en partie par les avertissements indiquant que le parc ne doit pas être utilisé pour y faire dormir les enfants.
14. Hauteur des côtés des parcs
On propose de faire passer la hauteur minimale des côtés des parcs pour enfants (mesurée de la surface de jeu au sommet de la surface supérieure du côté le plus bas) de 480 mm à 508 mm pour éviter que des enfants ne tombent hors des parcs.
15. Espaces — coincement des doigts
L'industrie a demandé à Santé Canada de modifier les dimensions énoncées dans l'exigence concernant les trous ouverts des parcs pour enfants afin de les rendre conformes à celles de la norme ASTM F406 sur les parcs pour enfants et de plusieurs autres normes s'appliquant à des produits pour enfants. Cette exigence a pour but d'éliminer le risque que des enfants se prennent les doigts dans les trous ouverts du produit. L'exigence actuelle précise que les trous doivent être plus petits que 3 mm ou plus grands que 10 mm. L'exigence proposée stipule que, si une sonde d'un diamètre de 5,33 mm passe dans un trou, il faut également qu'une sonde d'un diamètre de 9,53 mm puisse passer. Cette modification vise à harmoniser l'exigence avec la sonde qui sert présentement de norme pour l'industrie et qui permet de prévenir le coincement des doigts ou des orteils dans les trous du produit.
16. Déplacement vertical du tapis de sol
Santé Canada a reçu des rapports d'incidents concernant des tapis de sol de parcs pour enfants que les enfants sont capables de détacher de la base du parc. L'occupant risque ainsi de rester coincé. La tête d'un bébé pourrait se coincer entre le tapis de sol et le côté du parc pour enfants ou sous le tapis de sol. Les modifications proposées prévoient un essai qui demande l'application d'une force ascendante sur le tapis de sol pour limiter l'importance du déplacement du tapis de sol vers le haut.
17. Résistance de la surface de jeu
Le règlement actuel comprend un essai de charge statique visant à évaluer la résistance du plancher des parcs pour enfants. Comme des cas de rupture du plancher ont été signalés à Santé Canada, les modifications proposées comprennent un essai amélioré de charge statique qui nécessite l'application de deux forces simultanées ainsi qu'un essai de charge dynamique.
18. Taille des mailles du filet
L'industrie a demandé à Santé Canada de modifier la procédure de détermination de la taille des mailles du filet qui est énoncée dans le règlement actuel afin de l'harmoniser avec les exigences de la norme ASTM F406 sur les parcs pour enfants. On propose de modifier les spécifications de la sonde servant à évaluer la taille des mailles. De plus, l'essai proposé ne nécessiterait plus le découpage d'un échantillon du filet du produit comme l'essai actuel.
19. Résistance des attaches des mailles de filet et des tissus
Dans le but de prévenir des incidents comme ceux qui ont été signalés qui sont liés à la résistance des attaches des matières textiles ou des autres matériaux souples fixés à la structure rigide d'un parc pour enfants, les modifications proposées englobent un essai qui consiste à appliquer une force à un côté en textile pour déterminer si ce côté peut se détacher de la charpente.
20. Accessoires — coincement
De nombreux parcs pour enfants sont maintenant commercialisés en tant que produits à usages multiples comprenant divers accessoires, comme une table à langer et des accessoires pour le coucher, qui se fixent sur la charpente du parc pour enfants. Habituellement, ces accessoires se fixent sur le haut du parc pour enfants et ne sont pas destinés à être installés en position d'usage lorsqu'un bébé se trouve dans la partie principale du parc. Les modifications proposées comprennent des exigences relatives au coincement, à l'étranglement et aux avertissements sur la bonne utilisation des accessoires, conformément à la norme ASTM F406 sur les parcs pour enfants.
21. Roues
Selon le règlement actuel, les parcs pour enfants ne doivent pas être munis de plus de deux roues. Santé Canada a reçu des demandes de l'industrie qui souhaitait que cette exigence soit éliminée; il a donc mené à bien des essais pour déterminer si les modèles de parcs pour enfants munis de plus de deux roues étaient plus susceptibles de basculer ou de se déplacer que les modèles à deux roues ou moins. Il a été établi que les parcs pour enfants munis de quatre roues ne risquaient pas plus de bouger. Par ailleurs, la CPSC des États-Unis a indiqué au personnel de Santé Canada que les modèles de parcs pour enfants munis de plus de deux roues ou roulettes ne sont pas courants sur le marché américain et qu'elle n'était pas au courant d'incidents liés aux roues des parcs pour enfants. Les modifications proposées éliminent la restriction relative au nombre de roues ou de roulettes sur les parcs pour enfants.
Harmonisation avec le règlement CPSC Final Rule for Bassinets and Cradles des États-Unis et avec la norme ASTM F2194
22. Hauteur des côtés des accessoires pour le coucher
Comme pour les moïses indépendants selon l'actuel RLEBM, les accessoires pour le coucher sont normalement conçus pour être utilisés jusqu'à ce que l'occupant soit capable de se retourner par lui-même. Les modifications proposées comprennent une exigence stipulant que la hauteur des côtés doit être de 192 mm (mesurée du dessus du matelas jusqu'au sommet de la surface supérieure du côté le plus bas, sans comprimer le matelas), dans le cas des accessoires pour le coucher, pour réduire le risque qu'un enfant fasse une chute.
23. Épaisseur du matelas des accessoires pour le coucher
On propose une épaisseur maximale de 38 mm pour les matelas des accessoires pour le coucher. Cela va également dans le même sens que l'épaisseur maximale du matelas des accessoires pour le coucher indiquée dans le RLEBM. Cette exigence contribuera à prévenir les dangers suivants associés à l'utilisation de matelas épais et imposants : a) le risque de coincement entre les côtés de l'accessoire pour le coucher et le matelas; b) l'obstruction des voies respiratoires si la surface du matelas suit le contour du visage d'un enfant qui dort. Il est important de noter que, conformément à ce qui a été mentionné précédemment, la hauteur des côtés de l'accessoire pour le coucher est mesurée à partir du dessus du matelas jusqu'au sommet du côté le plus bas de l'accessoire pour le coucher sans comprimer le matelas. Par conséquent, l'épaisseur du matelas permet également de conserver la hauteur effective du côté de l'accessoire pour le coucher.
24. Solidité des accessoires de parcs pour enfants
La norme ASTM F2194 sur les berceaux et moïses exige que les accessoires pour le coucher puissent supporter une charge statique de 24 kg, placée successivement au centre de l'accessoire pour le coucher puis dans chaque coin de celui-ci. Les modifications proposées englobent cette exigence. La charge équivaut à environ trois fois le poids d'un bébé qui pourrait être placé dans l'accessoire pour le coucher.
La norme ASTM F406 exige que les accessoires de table à langer puissent supporter une charge statique de 45 kg appliquée au centre de la surface qui soutient l'enfant. Les modifications proposées englobent cette exigence.
25. Inclinaison des accessoires pour le coucher qui oscillent
Au cours des dernières années, Santé Canada a demandé le rappel volontaire de modèles de parcs pour enfants qui comprenaient une fonction d'oscillation de l'accessoire pour le coucher. Selon l'angle d'oscillation maximal et l'angle du produit à l'arrêt, l'accessoire peut s'incliner et faire rouler le bébé vers le côté. Un bébé peut se coincer dans un coin ou être pressé contre le côté de l'accessoire, ce qui entraîne un risque de suffocation ou d'asphyxie positionnelle. L'angle d'oscillation maximal proposé et l'angle à l'arrêt proposé respectent tous deux à la fois le règlement Final Rule for Bassinets and Cradles des États-Unis et le RLEBM — à 20 degrés et à 7 degrés respectivement.
Entrée en vigueur
Le nouveau règlement entrera en vigueur six mois après sa publication dans la Partie II de la Gazette du Canada; entre-temps, l'actuel règlement continuera de s'appliquer à tous les parcs pour enfants vendus, importés ou fabriqués au Canada ou dont on en a fait la publicité. Cette disposition donnera l'occasion à l'industrie de modifier ou de revoir la conception de ses produits afin de satisfaire aux exigences réglementaires et de vérifier la conformité réglementaire de ses produits au moyen d'essais sur les produits.
Options réglementaires et non réglementaires considérées
Statu quo
L'option du maintien du règlement actuel a été rejetée, car il a été établi que des modifications réglementaires sont nécessaires pour accroître le niveau de sécurité associé à l'utilisation de parcs pour enfants et d'accessoires de ces parcs. Les modifications proposées permettraient de régler des problèmes de sécurité, comme ceux qui se rapportent précisément aux accessoires et à l'affaissement involontaire et qui ont été reconnus comme étant la cause de blessures graves ou de décès. Si les modifications proposées ne sont pas adoptées, il se peut que des parcs pour enfants non sécuritaires se retrouvent sur le marché canadien.
Incorporation par renvoi de la norme ASTM F406 sur les parcs pour enfants et de la norme ASTM F2194 sur les berceaux et moïses
Cette option a été rejetée, car Santé Canada a défini trois propositions d'exigences qui viendraient compléter l'actuelle norme ASTM F406 sur les parcs pour enfants. Ces exigences visent à assurer une meilleure protection contre les dangers suivants : (1) coincement dans les espaces entièrement délimités; (2) suffocation dans les espaces laissés entre le tapis de sol et le côté du parc pour enfants; (3) asphyxie liée à l'inclinaison des surfaces pour le coucher. Ces dangers sont visés par des exigences déjà inscrites dans le RLEBM du Canada. Il est nécessaire d'inclure ces exigences canadiennes existantes dans le nouveau règlement si l'on veut réduire davantage le risque de blessures et de décès liés à l'utilisation de parcs pour enfants. Par ailleurs, cette option a été rejetée pour permettre d'utiliser la même terminologie dans le projet de règlement et une terminologie comparable à celle utilisée dans d'autres règlements similaires pris en vertu de la LCSPC, comme le RLEBM. Cette option a également été rejetée pour permettre d'utiliser les conventions de rédaction qui existent dans le cadre de la législation fédérale canadienne.
Adoption du nouveau projet de règlement
Il a été établi que l'adoption du nouveau projet de règlement représentait la méthode à privilégier pour assurer une meilleure protection de la santé et de la sécurité des bébés et des jeunes enfants qui utilisent des parcs pour enfants et des accessoires de parcs. Cette option permettrait de renforcer l'harmonisation de la réglementation avec la réglementation américaine et de se pencher sur des problèmes de sécurité importants, notamment ceux liés aux accessoires de parcs pour enfants. Elle permettrait également à Santé Canada d'établir des exigences et des méthodes d'essais visant à éliminer des dangers précis qui ne sont présentement pas couverts par la norme ASTM F406 sur les parcs pour enfants.
Avantages et coûts
Une analyse des coûts et des avantages (ACA) a été préparée pour quantifier les coûts et les avantages attendus des modifications réglementaires proposées (voir référence 2). Par suite de discussions avec la CPSC des États-Unis et la Juvenile Products Manufacturers Association, l'ACA a supposé que les parcs pour enfants actuellement vendus au Canada respectent en tout point la réglementation américaine et que les exceptions mineures sont très peu probables (le scénario de base). Par conséquent, la mise en place de règlements parallèles au Canada n'entraînerait aucun coût additionnel pour les fabricants, les importateurs, les grossistes, les détaillants ou les consommateurs. Les seuls coûts qui découleraient de ces règlements seraient les coûts liés aux exigences réglementaires qui sont considérées comme étant des changements cumulatifs par rapport au scénario de base.
On observe trois différences entre la réglementation américaine et la présente proposition. Un seul de ces changements est en fait une nouvelle exigence — l'exigence concernant l'inclinaison des accessoires pour le coucher (point 3 de la section « Description »). Ce point se divise ensuite en deux éléments : a) la pente de la surface de couchage; b) l'inclinaison des matelas segmentés.
Pour ce qui est des deux autres exigences proposées qui diffèrent de ce que l'on retrouve dans la réglementation américaine (Espaces — coincement, et Écartement du tapis de sol et du matelas, points 1 et 2 de la section « Description »), la plupart des modèles de parcs pour enfants qui sont sur le marché sont déjà conformes, comme il a été démontré dans le cadre des projets sur l'échantillonnage et les essais de parcs pour enfants. Ainsi, l'ACA a supposé que la mise en place de ces deux exigences n'entraînerait pas de coûts additionnels. Cependant, Santé Canada est au courant d'une exception : en 2011, Santé Canada a échantillonné et testé un modèle de parc pour enfants qui présentait des espaces dans les côtés en textile non conformes aux exigences de rendement proposées. De plus, le parc pour enfants était muni d'un accessoire pour le coucher dont la surface de couchage ne respectait pas la limite de sept degrés. Ce modèle a par la suite fait l'objet d'un rappel volontaire au Canada. Le produit n'était pas vendu aux États-Unis.
Coûts
L'ACA a relevé trois mesures que les fournisseurs de parcs pour enfants peuvent prendre pour se conformer aux exigences réglementaires : revoir l'image de marque, revoir la conception ou retirer les produits non conformes.
Aux fins d'analyse, l'ACA a d'abord supposé une adoption universelle de chacune de ces stratégies et a estimé séparément le coût de la conformité au projet de règlement pour chaque approche (voir référence 3). Cependant, dans la pratique, les fabricants risquent d'opter pour une combinaison de ces stratégies, selon différents facteurs propres à chaque entreprise (par exemple le nombre de produits touchés et l'importance du marché canadien pour l'ensemble de ses activités). Pour pouvoir évaluer les coûts de cette proposition, l'ACA suppose donc qu'il y aura une répartition égale entre les trois stratégies.
Revoir l'image de marque
Les entreprises pourraient décider de revoir l'image de marque de leurs accessoires pour le coucher pour qu'ils ne soient plus commercialisés en tant qu'accessoires pour le coucher dans le cas des produits vendus au Canada. Les accessoires pour le coucher pourraient être commercialisés en tant que produits dont la fonction principale n'est pas le couchage, mais plutôt, par exemple, l'interaction entre l'enfant et la personne qui s'en occupe quand l'enfant est éveillé. Le projet de règlement définit les accessoires de parcs pour enfants par leur fonction principale; si la fonction principale est le couchage, l'accessoire doit satisfaire aux exigences s'appliquant aux accessoires pour le coucher. Pour déterminer la fonction principale d'un accessoire, il faut tenir compte de plusieurs facteurs, dont le nom, la commercialisation, les fonctions énumérées, l'usage recommandé et l'apparence. Cette façon de faire est conforme à la définition qu'utilise le RLEBM pour décrire les lits d'enfants, les berceaux, les moïses et les accessoires pour le coucher.
Selon ce scénario, l'ACA a estimé que les coûts totaux de la valeur actuelle (VA) de la proposition seraient de 1,38 million de dollars sur 20 ans.
Les incidences qualitatives de ce scénario comprennent une incidence positive pour les consommateurs, puisqu'il n'y a aucun changement dans la disponibilité des produits. Il pourrait y avoir une incidence négative potentielle pour les consommateurs s'ils ignorent l'image de marque qui indique que le produit ne doit pas servir au couchage, ce qui réduit la probabilité de l'évitement des risques. Une incidence négative quantifiée, mais non pas exprimée en valeur monétaire pour l'industrie, consiste en une augmentation des obstacles au commerce en raison des exigences relatives à l'image de marque qui sont différentes au Canada.
Revoir la conception
Par ailleurs, il se peut que les entreprises revoient la conception de leurs accessoires pour le coucher pour respecter l'exigence relative à la pente de sept degrés et celle relative à l'inclinaison de sept degrés pour les matelas segmentés, ainsi que l'exigence connexe relative à la hauteur des côtés (voir référence 4), pour les produits vendus au Canada.
Selon ce scénario, l'ACA a estimé que les coûts totaux de la VA de la proposition seraient de 1,64 million de dollars sur 20 ans.
Les incidences qualitatives de ce scénario englobent une incidence négative pour les consommateurs en raison de la possibilité que certains consommateurs achètent des parcs pour enfants munis d'accessoires pour le coucher dont l'inclinaison est supérieure à sept degrés directement des États-Unis s'ils souhaitent obtenir un modèle précis à tout prix, ce qui réduit la probabilité de l'évitement des risques. Toutefois, si des individus ou des entreprises font entrer de tels accessoires pour le coucher au Canada, cette importation serait illégale en vertu de l'article 6 de la LCSPC.
Retirer les produits
Finalement, pour les produits offerts au Canada, les entreprises pourraient cesser de vendre des accessoires pour le coucher dont les limites d'inclinaison et de pente sont supérieures à sept degrés.
Afin d'établir les coûts d'une telle approche, l'ACA a estimé la perte relative au surplus du consommateur qui serait attribuable à l'arrêt de la vente des accessoires visés. Le surplus du consommateur est la différence entre le montant maximal que le consommateur serait prêt à payer pour un produit (dans le présent cas, un accessoire pour le coucher) et le prix qu'il paie réellement. Toute réduction du surplus du consommateur représente une perte de bien-être économique et devient donc un coût pour la société.
Selon ce scénario, l'ACA a estimé que les coûts totaux de la VA de la proposition seraient de 16,42 millions de dollars sur 20 ans.
Le coût analysé comprend uniquement le surplus du consommateur perdu, qui a été décrit précédemment, mais n'englobe pas le surplus du producteur, évalué qualitativement, que les importateurs, détaillants et grossistes iraient chercher s'ils optaient pour cette stratégie de conformité. Une autre incidence possible n'a pas été quantifiée, soit la possibilité que certains consommateurs achètent des parcs pour enfants munis d'accessoires pour le coucher dont l'inclinaison est supérieure à sept degrés directement des États-Unis s'ils souhaitent obtenir un modèle précis à tout prix. Toutefois, conformément à ce qui a été mentionné précédemment, si des individus ou des entreprises font entrer de tels accessoires pour le coucher au Canada, cette importation serait illégale en vertu de l'article 6 de la LCSPC.
Moyenne des trois stratégies
En supposant que les fabricants adopteront une combinaison des trois stratégies, l'ACA a estimé que la VA totale de la proposition serait approximativement de 6,5 millions de dollars sur une période de 20 ans. Les incidences qualitatives pour l'industrie et les consommateurs varient d'une stratégie à l'autre et sont définies dans les sections respectives qui précèdent.
Le scénario le plus coûteux (le retrait des produits) a été analysé au moyen du surplus du consommateur perdu, ce qui a augmenté le coût de cette option considérablement par comparaison avec les deux autres scénarios. Par conséquent, alors que l'ACA a pris en compte une moyenne des trois stratégies pour déterminer les coûts de la proposition, la perte dans le surplus du consommateur liée à la troisième option génère un coût moyen élevé.
Autres coûts
En plus des coûts pour l'industrie et les consommateurs qui ont été indiqués précédemment, un autre ensemble de coûts potentiels associés à la proposition se rapporte aux incidences liées à certaines lois provinciales ou territoriales qui exigent que les services de garde utilisent dans leurs installations des parcs pour enfants (et des lits d'enfants) conformes aux exigences fédérales pour ce type de produit. Il importe de souligner que ce sont les exigences provinciales et territoriales, et non la réglementation fédérale en soi, qui imposent directement l'exigence aux services de garde. Le projet de règlement et la LCSPC habilitante s'appliquent à la fabrication, à la vente et à l'importation des produits ainsi qu'à la publicité à leur sujet, mais ne s'appliquent pas à leur utilisation. L'application de la réglementation sur les produits dans les installations des services de garde autorisés reste à l'entière discrétion des provinces et des territoires. Par conséquent, Santé Canada n'a aucun pouvoir quant aux coûts assumés par les services de garde pour remplacer les parcs pour enfants dans le but de respecter les lois provinciales et territoriales. Santé Canada continuera de collaborer avec ses homologues provinciaux et territoriaux et de les appuyer pendant la mise en œuvre du projet de règlement.
Avantages
L'ACA a fait ressortir que les données disponibles sur les incidents ne donnaient pas d'exemple de décès ou de blessure grave chez un bébé qui était manifestement attribuable uniquement à des caractéristiques de produit qui sont en cause dans les écarts différentiels entre la proposition et la réglementation américaine (point 3 de la section « Description »).
Néanmoins, des preuves démontrent que cette proposition pourrait avoir un effet bénéfique. Les données probantes sont tirées de l'étude menée en Australie en 1995, dont il a déjà été question, qui a examiné les mouvements et les réactions de 11 bébés dans différentes positions dans des berceaux inclinables à 5, à 7 et à 10 degrés, afin de déterminer l'angle qui offre la meilleure protection et qui réduit le plus possible le risque qu'un bébé roule sur lui-même et reste pris dans un coin ou le risque de tout autre scénario de coincement ou d'asphyxie. Tous les bébés exposés à des inclinaisons de cinq et de sept degrés ont été capables de garder leurs voies respiratoires ouvertes, car, à ces angles, ils pouvaient encore se tourner la tête pour respirer. Cependant, les bébés exposés à une inclinaison de 10 degrés étaient incapables de se tourner la tête, et leurs voies respiratoires sont restées obstruées. Par conséquent, en l'absence de données robustes sur les décès ou les blessures graves attribuables à des facteurs qui seraient atténués par le projet de règlement, l'ACA n'a pu estimer les avantages en fonction de la valeur attendue. Comme solution de rechange, une approche d'analyse du « point mort » a été appliquée — c'est-à-dire que l'on a caractérisé et quantifié le nombre d'incidents de ce genre que le Règlement devra prévenir pour que les avantages soient équivalents à leurs coûts.
En supposant que les fabricants adopteront une combinaison des trois stratégies de conformité, l'ACA a estimé que les avantages surpasseront les coûts de la proposition si l'on peut éviter un décès sur une période de 20 ans.
| 2016 | 2017 | 2018 | 2019 | 2020 | 20 ANS (voir référence a) | VA TOTALE (voir référence b) | MOYENNE ANNUALISÉE | |
|---|---|---|---|---|---|---|---|---|
| A. Incidences quantifiées (en dollars canadiens de 2016) (voir référence c) | ||||||||
| Avantages pour les consommateurs (voir référence d) | (voir section B) | |||||||
| Coûts pour les consommateurs | 972 799 $ | 976 475 $ | 470 704 $ | 473 266 $ | 475 382 $ | 11 005 699 $ | 6 483 640 $ | 612 010 $ |
| Avantages nets | S.O. | |||||||
| B. Incidences quantifiées, mais non exprimées en valeur monétaire | ||||||||
| Incidences positives | Nombre requis de risques évités sur 20 ans pour atteindre un seuil de rentabilité par rapport aux coûts totaux de la VA = 648 blessures légères OU 12,5 blessures graves OU 0,9 décès. | |||||||
| Incidences négatives | Industrie (retrait des produits) : Surplus du producteur perdu pour les importateurs, les grossistes et les détaillants de parcs pour enfants munis des accessoires visés. | |||||||
| C. Incidences qualitatives | ||||||||
| Incidences positives | Consommateurs (revoir l'image de marque) : Aucun changement dans la disponibilité des produits. | |||||||
| Incidences négatives | Consommateurs (revoir l'image de marque) : Il se peut que les consommateurs ignorent le changement dans l'image de marque et dans les images connexes et qu'ils utilisent quand même pour le couchage les accessoires « non conçus pour le couchage », ce qui réduit la probabilité de réussir à éviter des risques. Consommateurs (revoir l'image de marque, revoir la conception et retrait des produits) : Il se peut que les consommateurs franchissent la frontière américaine pour aller acheter des parcs pour enfants munis d'accessoires pour le coucher, ce qui atténuerait l'incidence en partie (par une baisse de la perte relative au surplus du consommateur) et nuirait également à l'objectif du projet de règlement, en plus d'accroître le risque. Industrie (revoir l'image de marque) : On observerait une hausse des obstacles au commerce en raison de l'application d'exigences différentes sur l'image de marque uniquement au Canada. | |||||||
Règle du « un pour un »
La règle du « un pour un » ne s'applique pas, car le Règlement n'impose pas de coûts d'administration à l'industrie.
Lentille des petites entreprises
La lentille des petites entreprises ne s'applique pas, car l'effet de coût estimé à l'échelle nationale est de moins de 1 million de dollars par année; il a par ailleurs été établi que les coûts pour les petites entreprises n'étaient pas disproportionnellement élevés pour les raisons suivantes :
1. Selon les données disponibles, aucun parc pour enfants n'est présentement fabriqué au Canada; les grandes entreprises manufacturières américaines fabriquent la plupart des parcs pour enfants vendus au Canada. Même si l'on importe également certains parcs d'autres pays, le pourcentage des importations est présentement inconnu; on croit qu'il est très faible en comparaison.
2. Bien qu'il n'existe pas de données sur le nombre de petites entreprises qui vendent des parcs pour enfants au Canada, des données sur l'importation ont été analysées pour estimer le nombre d'importateurs de parcs pour enfants au Canada. Selon les données sur l'importation se rapportant à une période de trois ans (d'octobre 2013 à août 2016 inclusivement) et compte tenu des quantités et des valeurs totales des importations de parcs pour enfants par entreprise, Santé Canada a estimé que 37 entreprises qui importent des parcs pour enfants pourraient être considérées comme des petites entreprises. Cela englobe les distributeurs, les détaillants en ligne et les détaillants « sur le terrain ». Toutefois, l'ACA a révélé que les coûts de la proposition seraient en fin de compte refilés aux consommateurs sous la forme de prix au détail plus élevés; les dépenses ne seraient donc vraisemblablement pas engagées par les petites entreprises.
Consultation
Le 16 avril 2013, Santé Canada a diffusé un document de consultation sur les modifications proposées au Règlement. Plus particulièrement, la proposition visait à inclure des exigences propres au Canada pour ce qui est des parcs pour enfants; certaines de ces nouvelles exigences iraient dans le même sens que les exigences applicables du RLEBM tandis que la plupart d'entre elles seraient conformes au règlement Final Rule for Play Yards et à l'avis Notice of Proposed Rulemaking for Bassinets and Cradles (voir référence 5) de la CPSC des États-Unis.
Ces consultations ont mené à la publication d'un communiqué de presse de la part de Santé Canada ainsi qu'à l'affichage d'un document de consultation sur son site Web. Santé Canada a également posté directement le document de consultation à un groupe ciblé de 257 intervenants, qui était composé d'organismes de la santé publique, d'autorités provinciales ou territoriales de la santé publique, de détaillants, de fabricants, d'importateurs et de laboratoires d'essais de produits. L'avis relatif à ces consultations a aussi été envoyé à quelque 18 000 abonnés par l'entremise de la liste de diffusion sur la Sécurité des produits de consommation de Santé Canada, qui est en fait une base de données d'intervenants s'étant inscrits pour recevoir des mises à jour lorsque de nouveaux renseignements sont affichés sur le site Web de Santé Canada. Les parties intéressées ont été invitées à faire part de leurs commentaires sur la proposition à l'intérieur d'un délai de 75 jours.
Au total, sept présentations ont été soumises. On a reçu les réponses de deux gouvernements provinciaux (du Québec et du Manitoba), d'un groupe de l'industrie, d'un organisme national de prévention des blessures, d'un groupe de consommateurs, d'un laboratoire d'essais et d'un membre de l'industrie. Le groupe de l'industrie et le membre de l'industrie étaient d'accord pour que l'on harmonise les exigences canadiennes avec les exigences américaines qui s'appliquent aux parcs pour enfants. Le groupe de consommateurs, l'organisme national de prévention des blessures et le gouvernement du Québec ont donné leur appui aux modifications proposées ainsi qu'à la hausse du niveau de sécurité. Le gouvernement du Manitoba n'a pas exprimé sa position sur la question, mais a demandé qu'on le tienne au courant des modifications réglementaires. Le laboratoire d'essais a fait part de ses commentaires concernant la clarification des méthodes d'essais proposées. Aucun répondant n'a indiqué qu'il s'opposait à l'approche proposée par Santé Canada.
Depuis les consultations menées en 2013, Santé Canada a apporté des modifications au RLEBM, qui ont été publiées dans la Partie II de la Gazette du Canada le 29 juin 2016. Parmi ces modifications, on compte l'imposition d'une limite d'inclinaison du support de la surface de couchage. Afin que l'approche de sécurité soit la même, le projet de règlement prévoit la même limite d'inclinaison.
En plus des consultations menées en 2013, Santé Canada a consulté directement les provinces et les territoires pour leur permettre de formuler des commentaires. Le 23 novembre 2016, une lettre a été envoyée à tous les sous-ministres adjoints des ministères de la santé des provinces et des territoires afin d'obtenir leur point de vue. Toutes les préoccupations soulevées par les provinces et les territoires qui ressortiront de ces consultations seront prises en compte, tout comme les commentaires reçus pendant la période de commentaires qui suivra la publication dans la Partie I de la Gazette du Canada. Cette situation s'explique par le fait que certaines lois provinciales et territoriales stipulent que les services de garde autorisés doivent utiliser des parcs pour enfants qui sont conformes aux exigences fédérales. Par conséquent, si des modifications sont apportées à la réglementation fédérale, les lois provinciales et territoriales obligeront l'utilisation de parcs pour enfants qui satisfont aux nouvelles exigences fédérales. À ce jour, une province et un territoire (le Yukon et la Nouvelle-Écosse) ont répondu et fait part de leur absence de préoccupations. Il importe de souligner que ce sont les exigences provinciales et territoriales, et non la réglementation fédérale en soi, qui imposent directement aux services de garde l'utilisation de parcs pour enfants conformes aux exigences fédérales. Le projet de règlement et la LCSPC habilitante s'appliquent à la fabrication, à la vente et à l'importation de parcs pour enfants ainsi qu'à la publicité à leur sujet, mais ne s'appliquent pas à l'utilisation de ces produits.
Santé Canada prévoit travailler avec ses homologues des provinces et des territoires pendant la mise en œuvre du Règlement de la même façon qu'il travaille présentement avec les provinces et les territoires pour le RLEBM, qui est cité de façon analogue dans les lois provinciales et territoriales. Les activités viseront notamment à clarifier le fait que l'utilisation des produits existants qui se trouvent présentement dans les installations de service de garde n'est pas imposée par Santé Canada et que les provinces et les territoires sont responsables des stratégies d'application de la loi en ce qui a trait aux produits existants.
Coopération en matière de réglementation
La plupart des modifications proposées permettraient d'harmoniser les exigences canadiennes avec celles qui ont été adoptées récemment pour les parcs pour enfants et les accessoires de parcs aux États-Unis. On observe un décalage net entre la réglementation présentement en vigueur et la réglementation américaine.
Santé Canada a collaboré activement avec la commission de la CPSC des États-Unis en participant aux sous- comités sur la norme sur les parcs pour enfants, la norme sur les moïses et les berceaux et la norme sur les tables à langer de l'ASTM ainsi qu'aux discussions avec le personnel de la commission de la CPSC des États-Unis.
Il reste encore quelques différences entre les exigences canadiennes proposées et les exigences américaines. Pour deux des différences (Espaces — coincement, et Écartement du tapis de sol et du matelas, points 1 et 2 de la section « Description »), on s'attend à ce qu'il y ait peu ou pas d'incidence sur le mouvement ou le commerce des produits entre les deux pays, car on pense que la plupart des modèles de parcs pour enfants, sinon tous les modèles, qui sont sur le marché sont déjà conformes, selon ce qui a été démontré pendant les projets d'échantillonnage et d'essais. La troisième différence (Inclinaison des surfaces de couchage) est proposée à titre d'exigence plus stricte en matière de sécurité, car des preuves ont démontré qu'il était possible d'accroître les avantages du point de vue de la sécurité. L'ACA a ciblé un éventail de stratégies de conformité entraînant différentes incidences que l'industrie pourrait adopter pour ce qui est de l'inclinaison des surfaces de couchage.
Même si la présente proposition ne constitue pas un engagement en vertu du Plan d'action conjoint du Conseil de coopération Canada–États-Unis en matière de réglementation (CCR), elle respecte l'esprit du CCR en permettant une plus grande harmonisation réglementaire entre les États-Unis et le Canada et en contribuant à réduire les obstacles réglementaires au commerce transfrontalier.
Justification
Entre 1990 et octobre 2015, la DSPC a reçu 156 rapports d'incident associés à l'usage de parcs pour enfants et d'accessoires pour le coucher. Parmi ces rapports, on recense 10 décès, une blessure grave, 31 blessures légères et 114 incidents sans blessure. Des 10 décès, 4 se rapportent aux accessoires, 2 concernent l'affaissement des traverses latérales, 2 sont liés à un enchevêtrement, 1 découle d'un environnement non sécuritaire pour un parc pour enfants et 1 a été causé par un environnement non sécuritaire dans le parc pour enfants.
Pour donner suite à ces incidents, Santé Canada a participé activement à des discussions avec des fabricants canadiens et américains ainsi qu'avec des défenseurs de la sécurité concernant la sécurité générale des parcs pour enfants et des accessoires. Santé Canada a travaillé en collaboration avec un certain nombre d'entreprises pour procéder au rappel volontaire de différents modèles de parcs après des incidents mettant en cause les produits ou après avoir découvert des problèmes de sécurité lors d'essais sur les produits.
Par ailleurs, les fabricants de parcs pour enfants ont demandé que le règlement actuel suive davantage les autres normes reconnues à l'échelle internationale, en particulier celles des États-Unis, puisque l'harmonisation des exigences simplifie les activités de l'industrie.
Pour corriger la situation, la proposition donnera suite à la demande relative à une meilleure harmonisation avec les exigences américaines et permettra d'éliminer des risques ciblés rattachés aux parcs pour enfants dans le but de protéger la santé et la sécurité des jeunes enfants.
Mise en œuvre, application et normes de service
L'adoption du nouveau règlement n'entraînera pas de changement majeur dans les activités d'application de la loi de Santé Canada. Les activités de respect et d'application de la loi seront rendues plus faciles si l'on formule plus clairement les exigences énoncées dans le nouveau règlement et si l'on harmonise davantage les exigences canadiennes avec les exigences américaines.
Les activités de respect et d'application du nouveau règlement suivraient les approches et les procédures ministérielles établies, notamment pour l'échantillonnage et l'essai des produits, l'inspection au point de vente au détail ainsi que le suivi des plaintes formulées par la population, les organismes de santé publique et l'industrie au Canada. Les produits non conformes seront assujettis aux interventions que peuvent exécuter les inspecteurs et d'autres agents de Santé Canada. Les interventions sélectionnées dépendront de la gravité des circonstances. Ces interventions peuvent inclure un engagement volontaire à corriger le produit par l'industrie, une négociation avec l'industrie pour le retrait volontaire des produits non conformes du marché, une confiscation, des ordonnances de rappels ou d'autres mesures, des sanctions administratives pécuniaires ainsi que des poursuites en vertu de la LCSPC. Santé Canada tentera également de maximiser la conformité proactive au Règlement en sensibilisant l'industrie et les détaillants sur une base continue et de maximiser l'utilisation sécuritaire des parcs pour enfants par des activités de sensibilisation et d'éducation des consommateurs.
Personne-ressource
Shannon Whittle
Agente de projet
Direction de la sécurité des produits de consommation
Direction générale de la santé environnementale et de la sécurité des consommateurs
Santé Canada
Indice de l'adresse : 4908B
269, avenue Laurier Ouest
Ottawa (Ontario)
K1A 0K9
Télécopieur : 613-954-1133
Courriel : shannon.whittle@hc-sc.gc.ca
PROJET DE RÉGLEMENTATION
Avis est donnés que le gouverneur en conseil, en vertu de l'article 37 de la Loi canadienne sur la sécurité des produits de consommation (voir référence e), se propose de prendre le Règlement sur les parcs pour enfant, ci-après.
Les intéressés peuvent présenter leurs observations au sujet du projet de règlement dans les soixante-quinze jours suivant la date de publication du présent avis. Ils sont priés d'y citer la Partie I de la Gazette du Canada, ainsi que la date de publication, et d'envoyer le tout à Shannon Whittle, agente de projet, Bureau de la gestion du risque, Direction de la sécurité des produits de consommation, ministère de la Santé, indice d'adresse 4908B, 269, avenue Laurier Ouest, Ottawa (Ontario) K1A 0K9 (téléc. : 613-952-2551; courriel : shannon.whittle@hc-sc.gc.ca).
Ottawa, le 13 avril 2017
Le greffier adjoint du Conseil privé
Jurica Čapkun
Règlement sur les parcs pour enfant
Définitions
Définitions
1 Les définitions qui suivent s'appliquent au présent règlement.
accessoire Produit, notamment accessoire pour le coucher et accessoire à langer, qui est conçu pour être utilisé avec un parc pour enfant, ou qui est présenté dans la publicité comme pouvant être ainsi utilisé et qui possède les caractéristiques suivantes :
- a) il est conçu pour supporter le poids d'un enfant;
- b) il peut être soit placé sur le parc pour enfant, soit y être fixé;
- c) il sert principalement :
- (i) dans le cas d'un accessoire à langer, à changer les couches d'un enfant ou à l'habiller,
- (ii) dans le cas d'un accessoire pour le coucher qui comprend des côtés permettant le confinement de celui-ci, à coucher un enfant,
- (iii) dans le cas de tout autre accessoire, à fournir un espace d'interaction entre l'enfant et la personne s'en occupant ou un espace récréatif pour l'enfant. (accessory)
attaches Vise notamment les articles suivants :
- a) ceux qui, une fois installés sur un parc pour enfant ou un accessoire, peuvent être joints ou disjoints sans outil ou sans équipement, tels que les articles suivants :
- (i) les ficelles, cordes, sangles, fils métalliques et autres articles similaires,
- (ii) les fermetures à glissière, boutons, boutons-pression et autres articles similaires;
- b) ceux qui joignent deux objets par leur simple installation sur un parc pour enfant ou un accessoire tels que les vis, boulons, charnières, clous et autres articles similaires. (fastener)
bonnes pratiques de laboratoire Pratiques conformes aux principes énoncés dans le document de l'Organisation de coopération et de développement économiques intitulé Les Principes de l'OCDE de Bonnes pratiques de laboratoire, numéro 1 de la Série sur les Principes de Bonnes pratiques de laboratoire et vérification du respect de ces Principes, ENV/MC/CHEM(98)17, daté du 6 mars 1998 dans sa version française et du 21 janvier 1998 dans sa version anglaise. (good laboratory practices)
espace de confinement
- a) S'agissant d'un parc pour enfant, s'entend de l'espace délimité par la surface de jeu et la surface intérieure des côtés du parc;
- b) s'agissant d'un accessoire pour le coucher, s'entend de l'espace délimité par la surface de couchage et la surface intérieure des côtés de celui-ci. (occupant retention area)
fourni S'agissant d'un accessoire qui est conçu pour être utilisé avec un parc pour enfant ou un accessoire précis, fabriqué par le même fabricant et vendu avec le parc. (supplied with)
parc pour enfant Produit qui possède les caractéristiques suivantes :
- a) il sert à fournir un espace récréatif à un enfant mesurant 90 cm ou moins;
- b) aucun de ses composants structurels n'est gonflable;
- c) il a un sol qui est adjoint à des côtés dont au moins l'un de ceux-ci est en fibres textiles ou en une autre matière souple;
- d) il sert à confiner un enfant;
- e) il peut être utilisé de façon indépendante. (playpen)
recouvrement structurel Composant structurel d'un parc pour enfant ou d'un accessoire pour le coucher qui possède les caractéristiques suivantes :
- a) il est en fibres textiles ou en une autre matière souple;
- b) il se fixe à l'enceinte du parc ou de l'accessoire au moyen de fermetures à glissière, de boutons, de boutons-pression ou d'autres attaches similaires;
- c) il délimite entièrement ou partiellement l'espace de confinement;
- d) il est amovible. (structural cover)
Spécifications techniques
Exigences pour parcs pour enfant et accessoires
Toxicité
2 Le parc pour enfant et l'accessoire qui contiennent une substance toxique doivent satisfaire à l'une des exigences relatives à cette substance et prévues à l'article 25 du Règlement sur les jouets.
Revêtements
3 Le parc pour enfant et l'accessoire ne peuvent être recouverts d'un revêtement contenant l'une des substances suivantes :
- a) du plomb dont la teneur totale dépasse 90 mg/kg lors de la mise à l'essai du revêtement faite selon une méthode conforme aux bonnes pratiques de laboratoire;
- b) un composé d'antimoine, d'arsenic, de cadmium, de sélénium ou de baryum, si plus de 0,1 % p/p de ce composé se dissout dans de l'acide chlorhydrique à 5 % après y avoir été agité pendant dix minutes à 20 °C;
- c) un composé de mercure lors de la mise à l'essai du revêtement faite selon une méthode conforme aux bonnes pratiques de laboratoire.
Points de piqûre
4 Les points de piqûre du parc pour enfant ou de l'accessoire sont des points noués.
Cisaillement et pincement
5 Le parc pour enfant et l'accessoire sont exempts de toute partie qui se trouve à la portée de l'enfant et qui pourrait le blesser par cisaillement ou par pincement.
Parties en fibres textiles ou en une autre matière souple
6 La partie en fibres textiles ou en une autre matière souple que comprend le parc pour enfant ou l'accessoire et qui est fixée de façon permanente à un composant structurel rigide de ceux-ci ne se déchire ni ne se détache lors de la mise à l'essai du parc ou de l'accessoire faite conformément à l'annexe 1.
Filet — résistance et solidité
7 (1) Le filet en fibres textiles ou en une autre matière souple que comprend le parc pour enfant ou l'accessoire ne se déchire ni ne se détache lors de sa mise à l'essai faite conformément à l'annexe 2.
Mailles du filet — taille
(2) Les mailles de tout filet en fibres textiles ou en une autre matière souple que comprend le parc pour enfant ou l'accessoire ont, lors de leur mise à l'essai faite conformément à l'annexe 3, une taille telle que le bout hémisphérique de la sonde décrite à cette annexe ne peut passer à travers les mailles.
Inflammabilité
8 Le temps de propagation de la flamme pour toute partie en fibres textiles ou en une autre matière souple que comprend le parc pour enfant ou l'accessoire doit être supérieur à sept secondes dans les cas ci-après lors de sa mise à l'essai faite conformément à la norme CAN/CGSB-4.2 no 27.5 de l'Office des normes générales du Canada, intitulée Méthodes pour épreuves textiles : Essai de résistance à l'inflammation sous un angle de 45° – Application de la flamme pendant une seconde, avec ses modifications successives :
- a) la partie a une surface qui n'est pas en fibres grattées;
- b) la partie a une surface qui est en fibres grattées et la mise à l'essai révèle une fusion ou une inflammation apparente de ses fibres de fond.
Poteaux
9 Le poteau du parc pour enfant ou de l'accessoire pour le coucher ne doit, dans les 76 mm de sa surface la plus à l'extérieur, dépasser de plus de 1,5 mm le point le plus bas du dessus du côté le plus élevé qui lui est contigu.
Espace — coincement
10 L'espace entièrement délimité qui se trouve sur toute surface délimitant l'espace de confinement d'un parc pour enfant ou d'un accessoire pour le coucher ne permet pas, lors de la mise à l'essai de ceux-ci faite conformément à l'annexe 4, le passage d'un bloc rectangulaire solide mesurant 60 mm sur 100 mm sur 100 mm, quelle que soit son orientation.
Parties en bois, en plastique ou en un matériau dur semblable
11 (1) Les parties à découvert du parc pour enfant ou de l'accessoire qui sont en bois, en plastique ou en un matériau dur semblable ont un fini lisse de sorte qu'elles ne comportent ni pointe, ni rebord coupants et sont exemptes de fissure, de bavure ainsi que d'autre défaut.
Parties en métal
(2) Les parties à découvert du parc pour enfant ou de l'accessoire qui sont en métal ont un fini lisse de sorte qu'elles ne comportent ni pointe, ni rebord coupants et sont exemptes de bavure.
Tubes métalliques
(3) L'extrémité coupée de tout tube métallique du parc pour enfant ou de l'accessoire, si elle se trouve à la portée de l'enfant, satisfait à l'une des exigences suivantes :
- a) elle a un fini lisse de sorte qu'elle ne comporte ni pointe ni rebord coupants et est exempte de bavure;
- b) elle est munie d'un embout protecteur qui demeure en place sous l'effet d'une force de 90 N appliquée dans n'importe quelle direction.
Boulons
(4) L'extrémité filetée de tout boulon du parc pour enfant ou de l'accessoire est, si elle se trouve à la portée de l'enfant, recouverte d'un écrou borgne ou d'un dispositif offrant une protection équivalente.
Petites pièces
12 La pièce du parc pour enfant ou de l'accessoire qui est à la portée de l'enfant et qui est suffisamment petite pour être insérée complètement dans le cylindre pour petites pièces illustré à l'annexe 5 est fixée au produit de façon à ne pas s'en détacher sous l'effet d'une force de 90 N appliquée dans n'importe quelle direction.
Ouvertures
13 La fente, l'entaille, la rainure ou toute autre ouverture présente dans une partie en bois, en plastique, en métal ou en un autre matériau dur semblable que comprend le parc pour enfant ou l'accessoire a, si elle est à la portée de l'enfant, une taille et une forme telles que, si elle peut recevoir une sonde d'un diamètre de 5,33 mm, elle peut également recevoir une sonde d'un diamètre de 9,53 mm.
Cordes et sangles — longueur — général
14 (1) La longueur des cordes, sangles ou autres articles similaires du parc pour enfant ou de l'accessoire pour le coucher ayant une seule extrémité qui n'est pas attachée ne dépasse pas, sous l'effet de l'application graduelle d'une force de 22 N, 188 mm à l'état tendu.
Cordes et sangles — longueur — accessoires à langer
(2) Les cordes, sangles ou autres articles similaires de l'accessoire à langer ayant une seule extrémité qui n'est pas attachée ne peuvent avoir une de leurs parties qui, lorsqu'elle occupe l'espace de confinement du parc pour enfant sur lequel l'accessoire est placé ou auquel il est fixé, a une longueur dépassant, sous l'application graduelle d'une force de 22 N, 188 mm à l'état tendu.
Cordes et sangles — boucles — général
15 (1) Les cordes, sangles ou autres articles similaires du parc pour enfant ou de l'accessoire pour le coucher ne peuvent, lors de leur mise à l'essai faite conformément à l'article 1 de l'annexe 6, former une boucle qui a les caractéristiques suivantes :
- a) dans le cas de celle qui se forme dans l'espace de confinement, elle permet le passage du petit gabarit illustré à la figure de cette annexe;
- b) dans le cas de celle qui se forme à l'extérieur de l'espace de confinement, elle permet le passage du même gabarit et demeure dans cet espace lorsqu'elle est tirée de l'intérieur de celui-ci.
Cordes et sangles — boucles — accessoires à langer
(2) Les cordes, sangles ou autres articles similaires d'un accessoire à langer conçus pour retenir un enfant ne peuvent, si l'accessoire est placé sur le parc pour enfant ou y est fixé, former une boucle qui peut être tirée de l'intérieur de l'espace de confinement du parc et qui permet, lors de leur mise à l'essai faite conformément à l'article 2 de l'annexe 6, le passage du petit gabarit illustré à la figure de cette annexe.
Matelas
16 Le matelas de sol fourni avec le parc pour enfant, le matelas fourni avec l'accessoire pour le coucher ainsi que le matelas conçu pour être utilisé avec le parc ou l'accessoire ou présenté dans la publicité comme pouvant être ainsi utilisé satisfait, s'il est placé selon les instructions du fabricant, aux exigences suivantes :
- a) son épaisseur est d'au plus 38 mm;
- b) sa superficie permet d'empêcher, lorsqu'il est poussé fermement contre un côté quelconque du parc pour enfant ou de l'accessoire pour le coucher, qu'un espace de plus de 30 mm soit créé entre le matelas et une partie quelconque de tout autre côté.
Exigences supplémentaires pour parcs pour enfant
Stabilité
17 Le parc pour enfant est doté d'au moins trois points d'appui, chacun étant situé sous un poteau ou le plus près possible d'un poteau et un des trois n'étant pas aligné avec les deux autres, qui demeurent en contact avec le panneau de contreplaqué incliné lors de sa mise à l'essai faite conformément à l'annexe 7.
Hauteur des côtés
18 Le dessus de la traverse supérieure de tout côté du parc pour enfant, lorsque celle-ci est placée dans la position d'utilisation recommandée par le fabricant, se trouve à une distance minimale de 508 mm de la surface de jeu sans qu'aucun poids ne soit placé sur celle-ci.
Flexion des côtés
19 Le dessus de la traverse supérieure de tout côté du parc pour enfant se trouve à l'une des distances ci-après :
- a) à une distance minimale de 508 mm de la surface de jeu, lors de sa mise à l'essai faite conformément aux alinéas 1a) à e) de l'annexe 8;
- b) à une distance minimale de 460 mm de la surface de jeu, lors de sa mise à l'essai faite conformément aux alinéas 1f) à k) de cette annexe.
Résistance des côtés
20 La traverse supérieure de tout côté du parc pour enfant qui est munie d'une charnière et les mécanismes d'enclenchement ou de verrouillage de la traverse ne doivent, lors de la mise à l'essai du parc faite conformément à l'article 2 de l'annexe 8, ni se briser ni se défaire.
Traverses supérieures rigides — parcs pour enfant pliants
21 La traverse supérieure rigide du parc pour enfant pliant qui est munie d'au moins deux charnières qui s'enclenchent ou se verrouillent dès que le parc est placé dans la position d'utilisation recommandée par le fabricant et qui permettent à la traverse de se replier verticalement vers le bas une fois déclenchées ou déverrouillées satisfait aux exigences suivantes :
- a) il est possible, lors de sa mise à l'essai conformément à l'article 1 de l'annexe 9, d'insérer le gabarit décrit à cet article dans l'espace créé par son repliement, à une profondeur égale ou supérieure à la distance minimale entre les parties repliées opposées de la traverse;
- b) si l'une des charnières peut se déclencher ou se déverrouiller indépendamment de toute autre charnière, l'angle intérieur créé par le repliement de la traverse est d'au moins 75° dans un rayon de 76 mm de la charnière déclenchée ou déverrouillée, lors de la mise à l'essai de la traverse faite conformément à l'article 2 de l'annexe 9.
Traverses supérieures non rigides
22 La traverse supérieure non rigide d'un parc pour enfant ne s'affaisse pas de sorte que, lors de sa mise à l'essai faite conformément à l'article 3 de l'annexe 9, les surfaces ou les points qui sont identifiés sur le gabarit illustré à la figure de cet article et qui figurent aux colonnes 1 et 2 du tableau du même article n'entrent pas simultanément en contact avec la traverse supérieure.
Fixation de la traverse supérieure aux supports
23 Le parc pour enfant qui comprend des supports fixés à ses traverses supérieures et situés au-dessus de ses poteaux satisfait, lors de sa mise à l'essai faite conformément à l'annexe 10, aux exigences suivantes :
- a) ses supports sont exempts de fissure visible;
- b) les attaches de ceux-ci ne traversent complètement aucune parois du support;
- c) aucune partie de celles-ci ne se détache complètement.
Mécanismes d'enclenchement ou de verrouillage — parcs pour enfant pliants
24 (1) Le parc pour enfant pliant est muni d'un mécanisme d'enclenchement ou de verrouillage qui l'empêche de se replier spontanément ou de s'affaisser lorsqu'il est placé dans la position d'utilisation recommandée par le fabricant.
Mécanismes d'enclenchement ou de verrouillage — traverse supérieure se repliant vers le bas
(2) Le mécanisme d'enclenchement ou de verrouillage se trouvant sur une traverse supérieure du parc pour enfant pliant qui est munie d'une charnière lui permettant de se replier vers le bas s'enclenche ou se verrouille automatiquement dès que la traverse est placée dans la position d'utilisation recommandée par le fabricant.
Mécanismes d'enclenchement ou de verrouillage — opérations
25 Le mécanisme d'enclenchement ou de verrouillage d'un parc pour enfant satisfait à l'une des exigences suivantes :
- a) il nécessite l'exécution d'une seule opération requérant une force minimale de 45 N pour le déclencher ou le déverrouiller;
- b) il nécessite l'exécution simultanée d'au moins deux opérations distinctes délibérées pour le déclencher ou le déverrouiller.
Enclenchements et verrouillages apparents — traverses supérieures
26 La traverse supérieure du parc pour enfant munie d'un mécanisme d'enclenchement ou de verrouillage qui n'est pas enclenché ou verrouillé se replie lors de la mise à l'essai du parc faite conformément à l'annexe 11.
Enchevêtrement
27 Les mécanismes, les attaches et les pièces saillantes du parc pour enfant qui sont à la portée de l'enfant ne permettent pas au poids illustré à la figure 2 de l'annexe 12 de demeurer accroché lors de la mise à l'essai du parc faite conformément à cette annexe.
Solidité structurale
28 La surface de jeu du parc pour enfant, tout composant se trouvant en dessous de celle-ci et les composants structurels rigides du parc ne doivent pas être endommagés lors de la mise à l'essai du parc conformément l'annexe 13.
Déplacement vertical — matelas de sol amovible avec panneau
29 (1) Le matelas de sol amovible du parc pour enfant comprenant un panneau rigide ou une série de panneaux rigides s'élève d'au plus 133 mm lors de sa mise à l'essai faite conformément à l'article 1 de l'annexe 14.
Déplacement vertical — composant pliable amovible
(2) Le composant pliable et amovible composé d'un panneau rigide ou d'une série de panneaux rigides sur lequel repose le matelas de sol amovible du parc pour enfant s'élève d'au plus 133 mm lors de sa mise à l'essai faite conformément à l'article 2 de l'annexe 14.
Exigences supplémentaires pour accessoires
Coincement — accessoire placé ou fixé sur le parc pour enfant
30 (1) L'espace créé par le fait de placer l'accessoire sur le parc pour enfant ou de l'y fixer ne permet pas, lors de sa mise à l'essai faite conformément à l'article 1 de l'annexe 15, le passage du petit gabarit illustré à la figure 1 de cet article, à moins que l'espace ne permette également le passage du grand gabarit illustré à la figure 2 de cet article.
Coincement — déplacement ou détachement de l'accessoire
(2) L'espace créé par le déplacement ou le détachement de l'accessoire du parc pour enfant ne permet pas, lors de sa mise à l'essai faite conformément à l'article 2 de l'annexe 15, le passage du petit gabarit illustré à la figure 1 de l'article 1 de cette annexe.
Exception
(3) Les paragraphes (1) et (2) ne s'appliquent pas à l'égard de la position d'utilisation recommandée par le fabricant pour un accessoire si celle-ci engendre l'impossibilité d'utiliser le matelas de sol avec le parc pour enfant.
Solidité structurale — accessoires pour le coucher et accessoires à langer
31 L'accessoire pour le coucher et l'accessoire à langer ne doivent pas être endommagés lors de la mise en place aux endroits ci-après, pendant soixante secondes, de l'un des poids suivants :
- a) dans le cas de l'accessoire pour le coucher, un poids de 24 kg doté d'une base carrée mesurant 152 mm sur 152 mm et placé sur le centre géométrique de la surface de couchage puis, dans le cas d'une surface pourvue de coins, successivement sur chaque coin de cette surface;
- b) dans le cas de l'accessoire à langer, un poids de 45 kg doté d'une base carrée mesurant 152 mm sur 152 mm et placé sur le centre géométrique de la surface supportant le poids de l'enfant.
Accessoires pour le coucher — inclinaison
32 (1) L'inclinaison de la surface de couchage de l'accessoire pour le coucher n'est pas supérieure à 7° par rapport à l'horizontale.
Accessoires pour le coucher — inclinaison du matelas pliable
(2) L'inclinaison des surfaces adjacentes du pli du matelas pliable de l'accessoire pour le coucher n'est pas supérieure à 7° par rapport à l'horizontale lors de sa mise à l'essai faite conformément à l'annexe 16.
Accessoires pour le coucher oscillants — inclinaison
33 L'accessoire pour le coucher qui oscille satisfait aux exigences suivantes :
- a) son oscillation n'est pas supérieure à 20° par rapport à l'horizontale;
- b) son inclinaison, en position immobilisée, n'est pas supérieure à 7° par rapport à l'horizontale.
Accessoires pour le coucher — hauteur des côtés
34 Le dessus du côté de l'accessoire pour le coucher est au moins 192 mm plus haut que la surface de couchage lorsqu'aucun poids n'est placé sur celle-ci.
Accessoires pour le coucher — ensembles de retenue
35 L'accessoire pour le coucher n'a aucun ensemble de retenue pour enfant.
Renseignements et publicité
Dispositions générales
Mention de la Loi canadienne sur la sécurité des produits de consommation ou du présent règlement
36 Les renseignements qui sont apposés sur le parc pour enfant ou l'accessoire, qui sont fournis avec eux ou qui sont communiqués dans toute publicité à leur sujet ne font aucune mention directe ou indirecte de la Loi canadienne sur la sécurité des produits de consommation ou du présent règlement.
Publicité
37 Toute publicité qui montre des parcs pour enfant ou des accessoires le fait d'une manière qui respecte le contenu des mises en garde prévues aux articles 43 à 48.
Présentation des renseignements
Présentation générale
38 Les renseignements exigés par le présent règlement satisfont aux exigences suivantes :
- a) ils sont en français et en anglais;
- b) ils sont présentés soit sous forme d'inscription apposée sur le parc pour enfant ou l'accessoire, soit sur une étiquette fixée à ceux-ci en permanence;
- c) ils paraissent de façon claire, sont lisibles et sont notamment en caractères dont la couleur contraste nettement avec la couleur de fond;
- d) ils sont suffisamment durables pour demeurer lisibles ou visibles, selon le cas, pendant la vie utile du parc pour enfant ou de l'accessoire, dans les conditions normales de transport, d'entreposage, de vente et d'utilisation.
Caractères typographiques
39 (1) Les renseignements exigés sont imprimés en caractères sans empattements qui satisfont aux exigences suivantes :
- a) ils ne sont ni resserrés, ni élargis, ni décoratifs;
- b) ils ont une hauteur « x » supérieure à la hampe ascendante ou descendante, comme il est illustré à l'annexe 17.
Hauteur des caractères
(2) La hauteur des caractères est déterminée par la dimension d'une lettre majuscule ou minuscule ayant une hampe ascendante ou descendante, telle un « b » ou un « p ».
Mots indicateurs
40 (1) Les mots indicateurs « MISE EN GARDE » et « WARNING » sont en caractères gras et en lettres majuscules d'une hauteur minimale de 5 mm.
Autres renseignements — hauteur des caractères
(2) Tous les autres renseignements exigés sont en caractères d'une hauteur minimale de 2,5 mm.
Exigences pour parcs pour enfant et accessoires
Renseignements exigés
41 Le parc pour enfant et l'accessoire vendu séparément, de même que l'emballage dans lequel ils sont présentés aux consommateurs, portent les renseignements suivants :
- a) s'ils sont fabriqués au Canada, le nom et l'établissement principal de leur fabricant ou de la personne pour laquelle ils sont fabriqués;
- b) s'ils sont importés à des fins commerciales, le nom et l'établissement principal de leur fabricant, de la personne pour laquelle ils sont fabriqués ou de leur importateur;
- c) le nom ou numéro de modèle;
- d) le mot « DATE : » suivi immédiatement de mots ou de chiffres indiquant la date de la fabrication, à commencer par l'année, suivie du mois ou de la semaine.
Montage et utilisation — parcs pour enfant
42 (1) Le parc pour enfant porte les renseignements ci-après sous forme de mots, de dessins ou de photographies, seuls ou combinés :
- a) s'il est vendu en pièces détachées, les instructions de montage et la liste quantitative des pièces;
- b) s'il est pliant, la façon de le déplier et de le replier.
Montage et utilisation — accessoires
(2) L'accessoire porte les renseignements ci-après sous forme de mots, de dessins ou de photographies, seuls ou combinés :
- a) s'il est vendu en pièces détachées, les instructions de montage et la liste quantitative des pièces;
- b) s'il est pliant, la façon de le déplier et de le replier;
- c) les instructions sur la façon soit de le placer sur le parc pour enfant, soit de l'y fixer.
Exception — accessoires fournis avec parcs pour enfant
(3) Les renseignements exigés au paragraphe (2) peuvent figurer sur le parc pour enfant si l'accessoire est fourni avec le parc.
Exigences additionnelles pour parcs pour enfant
Mise en garde — parcs pour enfant
43 Le parc pour enfant porte la mise en garde suivante ou son équivalent :
MISE EN GARDE
- Ne pas utiliser ce parc pour enfant à moins d'être en mesure de suivre précisément les instructions qui l'accompagnent.
- Ne pas utiliser ce parc pour enfant si l'enfant est capable d'en sortir ou mesure plus de 90 cm.
- Ne pas mettre dans ce parc pour enfant ou à proximité de celui-ci des cordes, sangles ou objets semblables qui risqueraient de s'enrouler autour du cou de l'enfant.
- Ne pas placer ce parc pour enfant près d'une fenêtre ou d'une porte-fenêtre où l'enfant pourrait saisir les cordes d'un store ou d'un rideau et s'étrangler.
- Vérifier régulièrement ce parc pour enfant préalablement à son utilisation et ne pas l'utiliser si une pièce est desserrée, une pièce est manquante ou s'il y a un signe de dommages. Ne pas substituer une pièce à une autre. Communiquer avec le fabricant pour obtenir, au besoin, une pièce de rechange ou des instructions supplémentaires.
- Les articles de literie mous présentent un risque de suffocation pour l'enfant. Ne pas mettre d'oreiller, d'édredon ou de matelas de sol supplémentaire dans ce parc pour enfant.
- Ne pas laisser sans surveillance un enfant qui utilise ce parc pour enfant.
WARNING
- Do not use this playpen if you cannot exactly follow the instructions that come with it.
- Do not use this playpen for a child who can climb out of it or who is taller than 90 cm.
- Do not place any cord, strap or similar item in or near this playpen that could become wrapped around a child's neck.
- Do not place this playpen near a window or patio door where a child could reach the cord of a blind or curtain and be strangled.
- Check this playpen regularly before using it, and do not use it if any part is loose or missing or if there are any signs of damage. Do not substitute parts. Contact the manufacturer if replacement parts or additional instructions are needed.
- Children can suffocate on soft bedding. Do not place pillows, comforters or an additional floor pad in this playpen.
- Do not leave a child unattended in this playpen.
Mise en garde — parcs pour enfant pliants
44 Le parc pour enfant pliant porte, immédiatement après la mise en garde prévue à l'article 43, la mise en garde suivante ou son équivalent :
MISE EN GARDE
- S'assurer que les côtés de ce parc pour enfant sont bien enclenchés ou verrouillés à la position appropriée avant d'y placer un enfant.
WARNING
- Ensure that the sides of this playpen are properly latched or locked in the appropriate position before placing a child in it.
Exigences additionnelles pour accessoires
Exigences générales
Mise en garde — accessoires
45 L'accessoire porte la mise en garde suivante ou son équivalent :
MISE EN GARDE
- Ne pas utiliser cet accessoire à moins d'être en mesure de suivre précisément les instructions qui l'accompagnent.
WARNING
- Do not use this accessory if you cannot exactly follow the instructions that come with it.
Mise en garde — accessoires — espace de confinement
46 L'accessoire qui se déploie au-dessus de l'espace de confinement ou en occupe une partie porte, immédiatement après la mise en garde prévue à l'article 45, la mise en garde suivante ou son équivalent :
MISE EN GARDE
- Retirer cet accessoire si l'enfant occupe le parc pour enfant.
WARNING
- Remove this accessory when a child is in the playpen.
Mise en garde — accessoires autres que les accessoires pour le coucher
47 L'accessoire autre que l'accessoire pour le coucher porte, immédiatement après les mises en garde prévues aux articles 45 et 46, la mise en garde suivante ou son équivalent :
MISE EN GARDE
- Ne pas utiliser cet accessoire si l'enfant a atteint [insérer le poids maximal recommandé par le fabricant].
- Ne pas laisser sans surveillance un enfant qui utilise cet accessoire.
- Ne pas utiliser cet accessoire pour y faire dormir un enfant ou l'y laisser dormir.
WARNING
- Do not use this accessory for a child who has reached [insert manufacturer's recommended weight limit].
- Do not leave a child unattended in or on this accessory.
- Do not put a child to sleep or leave a sleeping child in or on this accessory.
Accessoires pour le coucher
Mise en garde — accessoires pour le coucher
48 L'accessoire pour le coucher porte, immédiatement après les mises en garde prévues aux articles 45 et 46, la mise en garde suivante ou son équivalent :
MISE EN GARDE
- Ne pas utiliser cet accessoire si l'enfant est capable de se retourner ou a atteint [insérer le poids maximal recommandé par le fabricant].
- Ne pas mettre dans cet accessoire ou à proximité de celui-ci des cordes, sangles ou objets semblables qui risqueraient de s'enrouler autour du cou de l'enfant.
- Vérifier régulièrement cet accessoire préalablement à son utilisation et ne pas l'utiliser si une pièce est desserrée, une pièce est manquante ou s'il y a un signe de dommages. Ne pas substituer une pièce à une autre. Communiquer avec le fabricant pour obtenir, au besoin, une pièce de rechange ou des instructions supplémentaires.
- Les articles de literie mous présentent un risque de suffocation pour l'enfant. Ne pas mettre d'oreiller, d'édredon ou de matelas supplémentaire dans cet accessoire.
WARNING
- Do not use this accessory for a child who can roll over or who has reached [insert manufacturer's recommended weight limit].
- Do not place any cord, strap or similar item in or near this accessory that could become wrapped around a child's neck.
- Check this accessory regularly before using it, and do not use it if any part is loose or missing or if there are any signs of damage. Do not substitute parts. Contact the manufacturer if replacement parts or additional instructions are needed.
- Children can suffocate on soft bedding. Do not place pillows, comforters or an additional mattress pad in this accessory.
Abrogation
49 Le Règlement sur les parcs pour enfants (voir référence 6) est abrogé.
Entrée en vigueur
Six mois après la publication
50 Le présent règlement entre en vigueur le jour qui, dans le sixième mois suivant le mois de sa publication dans la Partie II de la Gazette du Canada, porte le même quantième que le jour de sa publication ou, à défaut de quantième identique, le dernier jour de ce sixième mois.
ANNEXE 1
(article 6)
Essai de résistance de la partie en fibres textiles ou en une autre matière souple fixée de façon permanente à un composant structurel rigide
1 La méthode servant à vérifier la résistance de la partie en fibres textiles ou en une autre matière souple que comprend le parc pour enfant ou l'accessoire et qui est fixée de façon permanente à un composant structurel rigide de ceux-ci comporte les opérations suivantes :
- a) monter le parc pour enfant ou l'accessoire selon les instructions du fabricant, en mettant de côté les pièces subsidiaires qui pourraient gêner le déroulement de l'essai;
- b) appliquer graduellement pendant cinq secondes, à l'aide d'une pince ayant des surfaces d'ablocage d'un diamètre de 19 mm, une force de 130 N sur une partie en fibres textiles ou en une autre matière souple qui est fixée de façon permanente à un composant structurel rigide, dans la direction la plus susceptible de causer le déchirement ou le détachement de la partie, puis maintenir cette force pendant dix secondes;
- c) répéter l'opération mentionnée à l'alinéa b) pour toute autre partie en fibres textiles ou en une autre matière souple qui est fixée de façon permanente à un composant structurel rigide.
ANNEXE 2
(paragraphe 7(1))
Essai de résistance du filet et de solidité de ce qui le rattache
1 La méthode servant à vérifier la résistance d'un filet du parc pour enfant ou de l'accessoire et la solidité de ce qui rattache le filet à ceux-ci comporte les opérations suivantes :
- a) monter le parc pour enfant ou l'accessoire selon les instructions du fabricant, en mettant de côté les pièces subsidiaires qui pourraient gêner le déroulement de l'essai;
- b) placer le parc pour enfant ou l'accessoire sur une surface horizontale de façon que le côté comprenant le filet soit placé à l'horizontale au-dessus de son côté opposé et, au besoin, l'immobiliser à l'aide d'un bloc ou d'un appui n'agissant pas directement sur le cadre du côté mis à l'essai;
- c) déposer un poids de 9,18 kg dont la base rectangulaire mesure 150 mm sur 75 mm au centre géométrique du filet ou, si la structure externe gêne le déroulement de l'essai, le plus près possible de ce centre, en orientant les côtés de 150 mm parallèlement à la traverse supérieure du côté mis à l'essai, de la façon suivante :
- (i) déposer le poids graduellement sur une période de cinq secondes,
- (ii) laisser le poids en place pendant dix secondes,
- (iii) enlever le poids graduellement sur une période de cinq secondes,
- (iv) laisser s'écouler dix secondes;
- d) répéter l'opération mentionnée à l'alinéa c) neuf fois pour un total de dix opérations;
- e) répéter les opérations mentionnées aux alinéas c) et d) pour la partie supérieure du filet de la manière suivante :
- (i) orienter le côté de 75 mm du poids parallèlement au bord supérieur du filet,
- (ii) déposer le poids de façon que le centre de ce côté se situe à 25 mm sous le centre de ce bord;
- f) répéter les opérations mentionnées aux alinéas c) et d) pour la partie inférieure du filet de la manière suivante :
- (i) orienter le côté de 75 mm du poids parallèlement au bord inférieur du filet,
- (ii) déposer le poids de façon que le centre de ce côté se situe à 25 mm au-dessus du centre de ce bord;
- g) si le dessous du parc pour enfant ou de l'accessoire comprend un filet, retourner le parc ou l'accessoire de manière à ce que le dessous se retrouve sur le dessus, le placer sur une surface horizontale et, au besoin, immobiliser le produit à l'aide d'un bloc ou d'un appui n'agissant pas directement sur le cadre du dessous mis à l'essai puis répéter les opérations mentionnées aux alinéas c) à f);
- h) répéter les opérations mentionnées aux alinéas b) à g) pour tous les autres filets du parc pour enfant ou de l'accessoire.
ANNEXE 3
(paragraphe 7(2))
Essai de vérification de la taille des mailles du filet
1 La méthode servant à vérifier la taille des mailles du filet du parc pour enfant ou de l'accessoire comporte les opérations suivantes :
- a) monter le parc pour enfant ou l'accessoire selon les instructions du fabricant, en mettant de côté les pièces subsidiaires qui pourraient gêner le déroulement de l'essai;
- b) essayer, en appliquant graduellement une force de 22 N de façon perpendiculaire au filet, d'insérer la pointe d'une sonde à bout hémisphérique ayant un diamètre de 6,3 mm dans les mailles du filet, à dix endroits également répartis.
ANNEXE 4
(article 10)
Essai de vérification des espaces
1 La méthode servant à vérifier les espaces entièrement délimités qui se trouvent ou qui sont formés ou exposés sur toute surface délimitant l'espace de confinement du parc pour enfant ou de l'accessoire pour le coucher comporte les opérations suivantes :
- a) monter le parc pour enfant ou l'accessoire pour le coucher selon les instructions du fabricant, en mettant de côté les pièces subsidiaires qui pourraient gêner le déroulement de l'essai;
- b) placer un bloc rectangulaire solide mesurant 60 mm sur 100 mm sur 100 mm contre un côté du parc pour enfant ou de l'accessoire à un endroit qui se trouve à l'intérieur de l'espace de confinement et qui est susceptible, par suite de l'application d'une force, de former ou d'exposer un espace entièrement délimité;
- c) appliquer graduellement sur une période de cinq secondes une force de 90 N, puis maintenir cette force pendant dix secondes;
- d) répéter les opérations mentionnées aux alinéa b) et c) pour tous les autres endroits de ce côté susceptibles de former ou d'exposer un espace entièrement délimité;
- e) répéter les opérations mentionnées aux alinéa b) à d) pour tous les autres côtés;
- f) répéter les opérations mentionnées aux alinéas b) à d) pour la surface de jeu ou de couchage en veillant cependant à placer le bloc sur la surface;
- g) essayer, en appliquant graduellement sur une période de cinq secondes une force de poussée de 90 N puis en la maintenant pendant 10 secondes, de faire passer le bloc, dans toutes ses orientations possibles, dans chaque espace entièrement délimité qui se trouve sur toute surface délimitant l'espace de confinement ou qui y a été formé ou exposé par suite des opérations mentionnées aux alinéas b) à f);
- h) si le parc pour enfant ou l'accessoire pour le coucher est doté d'un recouvrement structurel, appliquer une force de 90 N dans n'importe quelle direction sur les fermetures à glissière, boutons-pression et autres attaches similaires du recouvrement pour essayer de les détacher;
- i) répéter l'opération mentionnée à l'alinéa g) pour tous les autres espaces entièrement délimités qui sont formés ou exposés sur toute surface délimitant l'espace de confinement.
ANNEXE 5
(article 12)
Cylindre pour petites pièces

ANNEXE 6
(paragraphes 15(1) et (2))
Essais de vérification des boucles
Parcs pour enfant et accessoires pour le coucher
1 La méthode servant à vérifier les boucles formées par les cordes, sangles et autres articles similaires du parc pour enfant ou de l'accessoire pour le coucher comporte les opérations suivantes :
- a) monter le parc pour enfant ou l'accessoire pour le coucher selon les instructions du fabricant, en mettant de côté les pièces subsidiaires qui pourraient gêner le déroulement de l'essai;
- b) dans le cas d'un accessoire pour le coucher, le placer sur le parc ou l'y fixer dans la position d'utilisation recommandée par le fabricant;
- c) sélectionner une boucle, l'élargir jusqu'à son diamètre maximal et essayer d'y faire passer le petit gabarit illustré à la figure de la présente annexe;
- d) si la boucle se trouve à l'extérieur de l'espace de confinement et que le petit gabarit passe dans la boucle, tirer la boucle, en appliquant une force de 22 N, vers l'intérieur de l'espace;
- e) lâcher la boucle et vérifier si la boucle demeure à l'intérieur de l'espace de confinement;
- f) répéter les opérations mentionnées aux alinéas c) à e) pour toutes les autres boucles.
Accessoires à langer
2 La méthode servant à vérifier les cordes, sangles et autres articles similaires de l'accessoire à langer servant à retenir un enfant comporte les opérations suivantes :
- a) monter le parc pour enfant et l'accessoire à langer selon les instructions du fabricant, en mettant de côté les pièces subsidiaires qui pourraient gêner le déroulement de l'essai;
- b) placer l'accessoire sur le parc ou l'y fixer dans la position d'utilisation recommandée par le fabricant;
- c) si l'accessoire a au moins une ouverture, sélectionner une corde, une sangle ou un autre article similaire, dans son état détaché, puis essayer, en appliquant une force de poussée ou de traction maximale de 111 N, de le faire passer à travers une ouverture de l'accessoire dans l'intérieur de l'espace de confinement et, dans le cas où une boucle se forme dans cet espace, l'élargir jusqu'à son diamètre maximal et essayer d'y faire passer le petit gabarit illustré à la figure de la présente annexe;
- d) répéter l'opération mentionnée à l'alinéa c) pour toutes les autres cordes et sangles ainsi que pour tous les autres articles similaires;
- e) dans le cas où deux cordes, sangles ou autres articles similaires passent dans l'espace de confinement, les ajuster à leur longueur maximale, les attacher ensemble selon les instructions du fabricant puis élargir la boucle ainsi formée jusqu'à son diamètre maximal et essayer d'y faire passer le petit gabarit illustré à la figure de la présente annexe;
- f) détacher les cordes, sangles ou autres articles similaires puis les faire repasser à travers la même ouverture mentionné à l'alinéa c) mais dans le sens contraire;
- g) répéter les opérations mentionnées aux alinéas c) à f) pour toutes les autres combinaisons possibles d'ouvertures et de cordes, de sangles ainsi que d'autres articles similaires;
- h) ajuster les cordes, sangles ou autres articles similaires à leur longueur maximale, les attacher puis laisser pendre la boucle formée par l'attachement des cordes, des sangles ou d'autres articles similaires par-dessus le côté de l'accessoire dans l'espace de confinement, élargir la boucle jusqu'à son diamètre maximal et essayer de faire passer le petit gabarit illustré à la figure de la présente annexe dans la partie de la boucle qui se trouve dans cet espace;
- i) répéter l'opération mentionnée à l'alinéa h) pour toutes les autres combinaisons possibles de cordes, de sangles et d'autres articles similaires;
- j) répéter l'opération mentionnée à l'alinéa c) pour les cordes, sangles et autres articles similaires, dans leur état attaché;
- k) répéter l'opération mentionnée à l'alinéa j) pour toutes les autres combinaisons possibles d'ouvertures et de cordes, sangles ainsi que d'autres articles similaires, dans leur état attaché.
Figure — Petit gabarit

ANNEXE 7
(article 17)
Essai de stabilité
1 La méthode servant à vérifier la stabilité du parc pour enfant comporte les opérations suivantes :
- a) monter le parc pour enfant selon les instructions du fabricant, en mettant de côté les pièces subsidiaires qui pourraient gêner le déroulement de l'essai;
- b) marquer chaque point d'appui du parc afin de pouvoir les identifier;
- c) placer le parc sur un panneau de contreplaqué d'une épaisseur de 19 mm et d'une superficie telle que tous les points d'appui sont à une distance minimale de 50 mm des arêtes du panneau, en veillant à ce que deux points d'appui adjacents soient parallèles à une des arêtes du panneau et bloquer, au besoin, les points d'appui pour empêcher tout glissement pendant l'essai;
- d) placer le dispositif d'essai illustré à la figure de la présente annexe sur la surface de jeu du parc, en veillant à ce que l'un des côtés mesurant 300 mm soit parallèle à l'arête du panneau sélectionnée en application de l'alinéa c) et soit le plus près possible du centre du côté du parc;
- e) incliner le panneau en le faisant pivoter du côté le plus proche du dispositif d'essai de manière à former un angle de 10° avec l'horizontale;
- f) répéter les opérations mentionnées aux alinéas c) à e) jusqu'à ce que chaque point d'appui soit mis à l'essai avec chacun des points d'appui qui lui est adjacent.
Figure — Dispositif pour essai de stabilité

ANNEXE 8
(articles 19 et 20)
Essais de flexion et de résistance des côtés
1 La méthode servant à vérifier la flexion des côtés d'un parc pour enfant comporte les opérations suivantes :
- a) monter le parc pour enfant selon les instructions du fabricant, en mettant de côté les pièces subsidiaires qui pourraient gêner le déroulement de l'essai;
- b) appliquer graduellement, alors qu'aucun poids n'est placé sur la surface de jeu, une force verticale vers le bas de 220 N, sur un endroit mesurant 50 mm qui se situe sur le dessus de la traverse supérieure d'un côté du parc pour enfant et où l'application de la force est susceptible de la faire fléchir, puis maintenir la force pendant dix secondes;
- c) retirer la force et mesurer la distance entre le point le plus bas du dessus de la traverse supérieure et la surface de jeu;
- d) répéter les opérations mentionnées aux alinéas b) et c) aux autres endroits du dessus de la traverse supérieure où l'application de la force est susceptible de la faire fléchir;
- e) répéter les opérations mentionnées aux alinéas b) à d) pour toutes les autres traverses supérieures du parc pour enfant;
- f) marquer un endroit mesurant 50 mm qui se situe sur le dessus de la traverse supérieure et où l'application d'une force est susceptible de la faire fléchir;
- g) placer sur la surface de jeu un bloc de bois ayant une base carrée mesurant 152 mm sur 152 mm de sorte que le centre du côté du bloc le plus proche de la traverse supérieure est, suivant un axe vertical, aligné avec le centre de l'endroit marqué;
- h) placer un poids de 4,5 kg au centre du bloc de bois;
- i) appliquer graduellement une force verticale vers le bas de 130 N sur l'endroit marqué, puis la maintenir pendant dix secondes en veillant à mesurer la distance entre l'endroit marqué et la surface de jeu;
- j) répéter les opérations mentionnées aux alinéas f) à i) aux autres endroits du dessus de la traverse supérieure où l'application de la force est susceptible de la faire fléchir;
- k) répéter les opérations mentionnées aux alinéas f) à j) pour toutes les autres traverses supérieures du parc pour enfant.
2 La méthode servant à vérifier la résistance des côtés d'un parc pour enfant munis d'une charnière comporte les opérations suivantes :
- a) monter le parc pour enfant selon les instructions du fabricant en mettant de côté les pièces subsidiaires qui pourraient gêner le déroulement de l'essai et placer le parc contre un mur ou dans un dispositif d'essai qui permet de l'incliner à 45° par rapport à l'horizontale;
- b) appliquer graduellement, sur une période de cinq secondes et sur un endroit mesurant 50 mm qui se situe le plus près du centre du dessus de la traverse supérieure d'un côté une force de 445 N vers l'intérieur du parc pour enfant à un angle de 45° par rapport à la surface de jeu, puis maintenir la force pendant dix secondes;
- c) répéter l'opération mentionnée à l'alinéa b) pour toutes les autres traverses supérieures du parc pour enfant.
ANNEXE 9
(articles 21 et 22)
Essais de vérification de la conception de la traverse supérieure
1 La méthode servant à vérifier l'espace créé lors du repliement de la traverse supérieure rigide d'un parc pour enfant pliant comporte les opérations suivantes :
- a) monter le parc pour enfant selon les instructions du fabricant, en mettant de côté les pièces subsidiaires qui pourraient gêner le déroulement de l'essai;
- b) replier complètement le parc pour enfant;
- c) placer parallèlement, autant que possible, les parties repliées opposées d'une traverse supérieure à une distance maximale de 6 mm l'une de l'autre en veillant à ce que les supports en cornière ne se chevauchent pas et maintenir cette position pendant l'essai;
- d) dégager toute partie en fibres textiles ou en une autre matière souple ainsi que toute autre partie qui gênerait l'insertion, dans l'espace créé par le repliement de la traverse, d'un gabarit en aluminium ayant la forme d'un prisme rectangulaire d'une longueur minimale de 75 mm, dont les extrémités ont une surface carrée de 38 mm sur 38 mm et dont tous les rebords ont un rayon de courbure de 3 mm;
- e) placer le gabarit entre les parties repliées opposées à un endroit qui se trouve le plus bas possible en s'assurant que le dessous du gabarit soit en contact avec le dessus de la traverse supérieure et que la surface carrée du gabarit soit perpendiculaire à la surface du dessus de la traverse supérieure;
- f) appliquer sur le gabarit une force horizontale de 45 N vers l'intérieur du parc pour enfant;
- g) répéter les opérations mentionnées aux alinéas b) à f) pour toutes les autres traverses supérieures.
2 La méthode servant à vérifier l'espace en forme de « V » créé lors du déclenchement ou du déverrouillage d'une seule charnière de la traverse supérieure rigide d'un parc pour enfant comporte les opérations suivantes :
- a) monter le parc pour enfant selon les instructions du fabricant, en mettant de côté les pièces subsidiaires qui pourraient gêner le déroulement de l'essai;
- b) déclencher ou déverrouiller une des charnières de la traverse supérieure et enclencher ou verrouiller les autres charnières;
- c) replacer toute partie en fibres textiles ou en une autre matière souple qui gênerait la mesure de l'angle;
- d) attacher un poids de 4,5 kg à une sangle d'une largeur de 25 mm et suspendre pendant dix secondes la sangle sur la charnière déclenchée ou déverrouillée puis retirer le poids;
- e) mesurer, dans un rayon de 76 mm de la charnière déclenchée ou déverrouillée, l'angle formé entre les parties repliées de la traverse supérieure;
- f) répéter les opérations mentionnées aux alinéas b) à e) pour toutes les autres charnières de la traverse;
- g) répéter les opérations mentionnées aux alinéas b) à f) pour toutes les autres traverses supérieures.
3 La méthode servant à vérifier l'espace créé lors du repliement de la traverse supérieure non rigide d'un parc pour enfant comporte les opérations suivantes :
- a) monter le parc pour enfant selon les instructions du fabricant, en mettant de côté les pièces subsidiaires qui pourraient gêner le déroulement de l'essai;
- b) placer la surface identifiée « A » du gabarit d'essai « B » illustré à la figure du présent article sur le dessus d'une traverse supérieure et appliquer sur le gabarit une force verticale vers le bas de 134 N;
- c) maintenir la force et inspecter le parc visuellement afin de vérifier l'existence de toute combinaison de surfaces et de points mentionnés au tableau du présent article qui entrent en contact avec la traverse supérieure;
- d) répéter les opérations mentionnées aux alinéas b) et c) pour toutes les autres traverses supérieures.
Figure — Gabarit d'essai « B »

TABLEAU
| Article | Colonne 1 Surface ou point du gabarit |
Colonne 2 Surface ou point du gabarit |
|---|---|---|
| 1 | B1 | B2 |
| 2 | C1 | C2 |
| 3 | C1 | D |
| 4 | C2 | D |
| 5 | B1C1 | B2C2 |
| 6 | C1D | C2D |
ANNEXE 10
(article 23)
Essai de vérification de la fixation de la traverse supérieure aux supports
1 La méthode servant à vérifier la fixation des traverses supérieures aux supports situés au-dessus de chaque poteau du parc pour enfant comporte les opérations suivantes :
- a) monter le parc pour enfant selon les instructions du fabricant, en mettant de côté les pièces subsidiaires qui pourraient gêner le déroulement de l'essai;
- b) immobiliser le parc pour enfant à l'aide d'un bloc ou d'un appui de manière à ne pas gêner le déroulement de l'essai;
- c) installer, au centre d'une traverse supérieure, un bras de levier rigide de moins de 2,2 kg, d'une longueur minimale de 610 mm et doté de deux surfaces d'ablocage, chacune d'une superficie minimale de 6,5 cm2 et maximale de 26 cm2, de sorte qu'il se déploie horizontalement vers l'extérieur du parc pour enfant;
- d) appliquer graduellement, sur une période de dix secondes, vers le haut et perpendiculairement au bras de levier, une force sur un point qui se situe à 610 mm du centre de la traverse supérieure jusqu'à l'obtention d'une force de 89 N ou du pivotement à 90° du bras et maintenir cette force pendant dix secondes;
- e) répéter les opérations mentionnées aux alinéas c) et d) sur la même traverse supérieure mais en appliquant la force vers le bas;
- f) répéter les opérations mentionnées aux alinéas c) à e) pour toutes les autres traverses supérieures.
ANNEXE 11
(article 26)
Essai de vérification du mécanisme d'enclenchement ou de verrouillage
1 La méthode servant à vérifier le mécanisme d'enclenchement ou de verrouillage d'une traverse supérieure du parc pour enfant comporte les opérations suivantes :
- a) monter le parc pour enfant selon les instructions du fabricant, en mettant de côté les pièces subsidiaires qui pourraient gêner le déroulement de l'essai;
- b) prendre les mesures pour veiller à ce que les charnières d'une seule traverse supérieure soient déclenchées ou déverrouillées tout en s'assurant, le cas échéant, que le noyau central du sol soit enclenché ou verrouillé;
- c) essayer de placer la traverse supérieure dans la position d'utilisation recommandée par le fabricant;
- d) vérifier si la traverse supérieure se replie dans les deux secondes suivantes;
- e) si la traverse supérieure ne s'est pas repliée dans les deux secondes, appliquer graduellement sur une période de cinq secondes une force de 44 N sur l'endroit de la traverse le plus susceptible de la faire replier, maintenir cette force pendant trente secondes et vérifier si la traverse s'est repliée sous l'application de la force;
- f) répéter quatre autres fois les opérations mentionnées aux alinéas c) à e) pour la même traverse supérieure;
- g) répéter les opérations mentionnées aux alinéas b) à f) pour toutes les traverses supérieures.
ANNEXE 12
(article 27)
Essai de vérification — enchevêtrement
1 La méthode servant à vérifier le risque d'enchevêtrement causé par les mécanismes, les attaches et les pièces saillantes du parc pour enfant qui sont à la portée de l'enfant comprend les opérations suivantes :
- a) monter le parc pour enfant selon les instructions du fabricant, en mettant de côté les pièces subsidiaires qui pourraient gêner le déroulement de l'essai;
- b) sélectionner un mécanisme, une attache ou une pièce saillante qui se trouve à la portée de l'enfant;
- c) essayer de placer, perpendiculairement à la surface du composant auquel est fixé le mécanisme, l'attache ou la pièce saillante, l'axe central de la bague de vérification illustrée à la figure 1 de la présente annexe;
- d) si le mécanisme, l'attache ou la pièce saillante dépasse l'épaisseur de la bague, placer la plus petite boucle du poids illustré à la figure 2 de la présente annexe sur le mécanisme, l'attache ou la pièce saillante en veillant à ce que le poids pende librement;
- e) répéter l'opération mentionnée à l'alinéa d) en utilisant la plus grande boucle du poids et en le laissant pendre librement de l'autre côté par-dessus la traverse supérieure du parc;
- f) répéter les opérations mentionnées aux alinéas c) à e) pour tous les autres mécanismes, attaches et pièces saillantes qui se trouvent à la portée de l'enfant.
Figure 1 — Bague de vérification

Figure 2 — Poids

ANNEXE 13
(article 28)
Essais de solidité structurale
1 La méthode servant à vérifier la solidité structurale de la surface de jeu du parc pour enfant, de tout composant se trouvant en dessous de celle-ci et des composants structurels rigides du parc dans des conditions statiques comporte les opérations suivantes :
- a) monter le parc pour enfant selon les instructions du fabricant, en mettant de côté les pièces subsidiaires qui pourraient gêner le déroulement de l'essai;
- b) placer sur la surface de jeu à l'endroit le plus susceptible de présenter un dommage lors de l'opération visée à l'alinéa c), deux blocs de bois dotés d'une base carrée mesurant 152 mm sur 152 mm à 152 mm l'un de l'autre;
- c) appliquer un poids de 23 kg sur l'un des blocs et un poids de 14 kg sur l'autre bloc puis maintenir les poids en place pendant soixante secondes.
2 La méthode servant à vérifier la solidité structurale de la surface de jeu du parc pour enfant, de tout composant se trouvant en dessous de celle-ci et des composants structurels rigides du parc dans des conditions dynamiques comporte les opérations suivantes :
- a) monter le parc pour enfant selon les instructions du fabricant, en mettant de côté les pièces subsidiaires qui pourraient gêner le déroulement de l'essai;
- b) placer un bloc de bois doté d'une base carrée mesurant 152 mm sur 152 mm sur la surface de jeu à l'endroit le plus susceptible de présenter un dommage lors de l'opération visée à l'alinéa c);
- c) laisser tomber librement un poids solide de 14 kg sur le bloc d'une hauteur de 76 mm mesurée à partir de la surface supérieure du bloc;
- d) répéter l'opération mentionnée à l'alinéa c), à un intervalle maximal de dix secondes, quarante-neuf fois pour un total de cinquante fois.
ANNEXE 14
(paragraphes 29(1) et (2))
Essais de vérification du déplacement vertical du matelas de sol amovible et du composant pliable amovible
1 La méthode servant à vérifier le déplacement vertical du matelas de sol amovible du parc pour enfant comprenant un panneau rigide ou une série de panneaux rigides comporte les opérations suivantes :
- a) monter le parc pour enfant selon les instructions du fabricant, en mettant de côté les pièces subsidiaires qui pourraient gêner le déroulement de l'essai;
- b) fixer une pince dont les surfaces d'ablocage ont un diamètre de 19 mm le plus près possible d'un coin du matelas de sol amovible;
- c) appliquer vers le haut, à l'aide de la pince, une force verticale de 2,2 N;
- d) tout en maintenant la force, sélectionner sur la pince un point de référence fixe situé près de la surface supérieure du matelas de sol et un autre point de référence fixe situé en ligne directe sur le composant sur lequel repose le matelas;
- e) appliquer graduellement sur une période de cinq secondes, à l'aide de la pince, une force verticale vers le haut de 66 N;
- f) tout en maintenant la force, mesurer la distance du déplacement vertical vers le haut du matelas de sol amovible entre les points de référence fixes;
- g) répéter les opérations mentionnées aux alinéas b) à f) aux autres coins;
- h) si le matelas de sol amovible est pliable, répéter les opérations mentionnées aux alinéas b) à f) aux endroits les plus susceptibles de se déplacer verticalement vers le haut qui sont situés sur les bords du matelas de sol parallèles à l'axe de pliage du matelas.
2 La méthode servant à vérifier le déplacement vertical du composant pliable et amovible composé d'un panneau rigide ou d'une série de panneaux rigides sur lequel repose le matelas de sol amovible du parc pour enfant comporte les opérations suivantes :
- a) monter le parc pour enfant selon les instructions du fabricant, en mettant de côté les pièces subsidiaires qui pourraient gêner le déroulement de l'essai;
- b) enlever le matelas de sol amovible;
- c) fixer une pince dont les surfaces d'ablocage ont un diamètre de 19 mm le plus près possible d'un coin du composant pliable et amovible;
- d) appliquer vers le haut, à l'aide de la pince, une force verticale de 2,2 N;
- e) tout en maintenant la force, sélectionner sur la pince un point de référence fixe situé près de la surface supérieure du composant pliable et amovible et un autre point de référence fixe situé en ligne directe sur le composant sur lequel repose le matelas;
- f) appliquer graduellement sur une période de 5 secondes, à l'aide de la pince, une force verticale vers le haut de 66 N;
- g) tout en maintenant la force, mesurer la distance du déplacement vertical vers le haut du composant pliable et amovible entre les points de référence fixes;
- h) répéter les opérations mentionnées aux alinéas c) à g) aux autres coins et aux endroits les plus susceptibles de se déplacer verticalement vers le haut qui sont situés sur les bords du composant pliable et amovible parallèles à l'axe de pliage du composant.
ANNEXE 15
(paragraphes 30(1) et (2))
Essais de vérification des accessoires — coincement
1 La méthode servant à vérifier les espaces créés par le fait de placer l'accessoire sur un parc pour enfant ou de l'y fixer comporte les opérations suivantes :
- a) monter le parc pour enfant et tout accessoire selon les instructions du fabricant, en mettant de côté les pièces subsidiaires qui pourraient gêner le déroulement de l'essai;
- b) placer l'accessoire ou la combinaison d'accessoires sur le parc pour enfant ou les y fixer dans l'une des positions d'utilisation recommandées par le fabricant puis repérer tout espace qui est créé par le fait de les placer ou fixer et qui est susceptible de permettre le passage du petit gabarit illustré à la figure 1 du présent article, mais non le passage du grand gabarit illustré à la figure 2 du présent article;
- c) orienter le petit gabarit de la façon la plus susceptible d'en permettre le passage dans un des espaces identifiés, puis y appliquer graduellement sur une période de cinq secondes une force de 111 N de l'intérieur de l'espace de confinement vers le haut ou vers l'extérieur puis maintenir cette force pendant dix secondes;
- d) si le petit gabarit passe complètement dans l'espace, répéter l'opération mentionnée à l'alinéa c) avec le grand gabarit et essayer, sans forcer, de le faire passer, quelle que soit son orientation, dans cet espace;
- e) répéter les opérations mentionnées aux alinéas c) et d) pour tous les autres espaces repérés;
- f) répéter les opérations mentionnées aux alinéas b) à e) pour toutes les autres positions d'utilisation recommandées par le fabricant.
Figure 1 — Petit gabarit

Figure 2 — Grand Gabarit

2 La méthode servant à vérifier les espaces créés par le détachement ou le déplacement d'un accessoire du parc pour enfant comporte les opérations suivantes :
- a) monter le parc pour enfant et tout accessoire selon les instructions du fabricant, en mettant de côté les pièces subsidiaires qui pourraient gêner le déroulement de l'essai;
- b) placer l'accessoire ou la combinaison d'accessoires sur le parc pour enfant ou les y fixer dans l'une des positions d'utilisation recommandées par le fabricant puis repérer les parties de l'accessoire les plus susceptibles d'être déplacées ou de se détacher et qui pourraient ainsi créer un espace;
- c) appliquer graduellement sur une période de cinq secondes, à l'aide d'une tige dont l'embout est en forme de disque ayant un diamètre de 50 mm, sur une partie repérée, une force de 111 N de l'intérieur de l'espace de confinement vers le haut ou vers l'extérieur;
- d) essayer, si un espace est créé, de faire passer sans forcer le petit gabarit illustré à la figure 1 de l'article 1, quelle que soit son orientation, dans cet espace;
- e) répéter les opérations mentionnées aux alinéas c) et d) pour toutes les autres parties repérées;
- f) répéter les opérations mentionnées aux alinéas b) à e) pour toutes les autres positions d'utilisation recommandées par le fabricant.
ANNEXE 16
(paragraphe 32(2))
Essai de vérification de l'inclinaison — matelas pliable de l'accessoire pour le coucher
1 La méthode servant à vérifier l'inclinaison des surfaces adjacentes du pli du matelas pliable de l'accessoire pour le coucher comporte les opérations suivantes :
- a) monter le parc pour enfant et l'acessoire pour le coucher selon les instructions du fabricant, en mettant de côté les pièces subsidiaires qui pourraient gêner le déroulement de l'essai;
- b) placer le parc sur une surface horizontale dans la position d'utilisation recommandée par le fabricant;
- c) placer l'accessoire sur le parc ou l'y fixer dans la position d'utilisation recommandée par le fabricant;
- d) désactiver la fonction d'oscillation si le parc pour enfant ou l'accessoire est doté de cette caractéristique;
- e) établir un plan de référence horizontal en plaçant sur la surface horizontale et près du parc pour enfant, un inclinomètre offrant une résolution minimale de 0,5° réglé à zéro;
- f) placer horizontalement un cylindre de 7,6 kg, d'une longueur de 305 mm et d'un diamètre de 152 mm sur un pli du matelas pliable, le centre du cylindre étant situé au-dessus du centre du pli et le cylindre étant orienté parallèlement à ce pli puis déposer, si le cylindre ne demeure pas en place, un nombre suffisant de butoirs autour du cylindre pour l'immobiliser, leur poids total ne dépassant pas 0,11 kg;
- g) déposer, dans les 12,7 mm de l'une des extrémités du cylindre, un bloc d'acier de 1,5 kg mesurant 152 mm sur 101,6 mm et d'une épaisseur de 12,7 mm de sorte que l'un des côtés de 152 mm soit placé sur le pli parallèlement à l'axe central du cylindre tout en tolérant que le bloc puisse glisser et entrer en contact avec le cylindre;
- h) si la taille limitée de l'accessoire pour le couchage ne permet pas le placement du bloc d'acier conformément à l'alinéa g), éloigner suffisamment le cylindre du centre pour pouvoir l'y placer conformément à cet alinéa;
- i) placer l'inclinomètre au centre du dessus du bloc et mesurer l'angle formé entre le dessus du bloc et l'horizontale en veillant à ce que l'inclinomètre ne soit pas en contact avec la surface supérieure du matelas pliable;
- j) si l'angle mesuré est supérieur à 7°, répéter deux fois les procédures mentionnées aux alinéas g) à i) et calculer la moyenne obtenue des trois mesures effectuées;
- k) répéter les opérations mentionnées aux alinéas g) à j), en déplaçant horizontalement et en gardant la même orientation le bloc, de sorte que l'autre côté de 152 mm du bloc soit placé sur le même pli, parallèlement à l'axe central du cylindre;
- l) répéter les opérations mentionnées aux alinéas f) à k) pour tous les autres plis du matelas;
- m) enlever tout composant amovible qui supporte le matelas pliable puis répéter les opérations mentionnées aux alinéas f) à l).
ANNEXE 17
(alinéa 39(1)b))
Caractères sans empattements

[16-1-o]